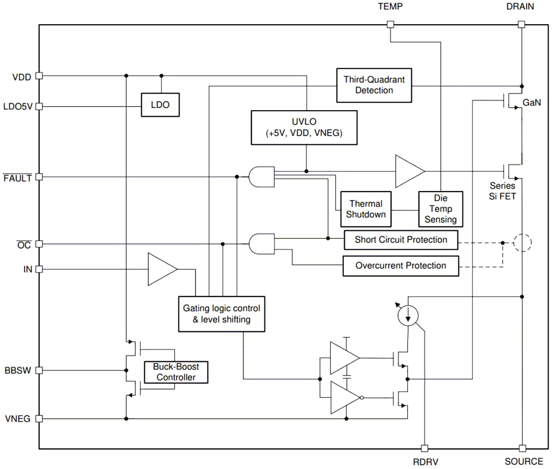
Texas Instruments LMG342xR030集成了硅驱动器,可实现切换速度高达150V/ns。TI的集成精密栅极偏置与分立硅栅极驱动器相比,具有更高的开关SOA。这种集成结合了TI的低电感封装,可实现硬开关电源拓扑中的干净开关和最小振铃。可调节的栅极驱动器强度允许控制从20V/ns到150V/ns的转换速度,从而主动控制EMI并优化开关性能。LMG3425R030包括理想二极管模式,通过启用自适应死区时间控制,从而减少第三象限损耗。
先进的电源管理功能包括数字温度报告和故障检测。通过可变占空因数PWM输出报告GaN FET的温度,从而可简化设备负载管理。报告的故障包括过热、过电流和UVLO监控。
特性
- 符合JEDEC JEP180对硬开关拓扑结构的规定
- 600V GaN-on-Si FET集成栅极驱动器
- 集成高精度栅极偏置电压
- 200V/ns CMTI
- 2.2MHz切换频率
- 30V/ns至150V/ns转换速度,优化切换性能和减轻EMI
- 工作电压范围为7.5V至18V
- 先进的电源管理
- 数字温度PWM输出
- 理想二极管模式可减少LMG3425R030中的第三象限损耗
- 强大的保护功能
- 循环过电流和锁定短路保护,响应时间 <>
- 硬开关时可承受720V浪涌
- 内部过温自保护和UVLO监控
应用
- 高密度工业电源
- 太阳能逆变器和工业电机驱动器
- 不间断电源
- 商家网络和服务器电源供应器
- 商家电信整流器
功能框图
发布日期: 2022-03-31
| 更新日期: 2025-08-08

