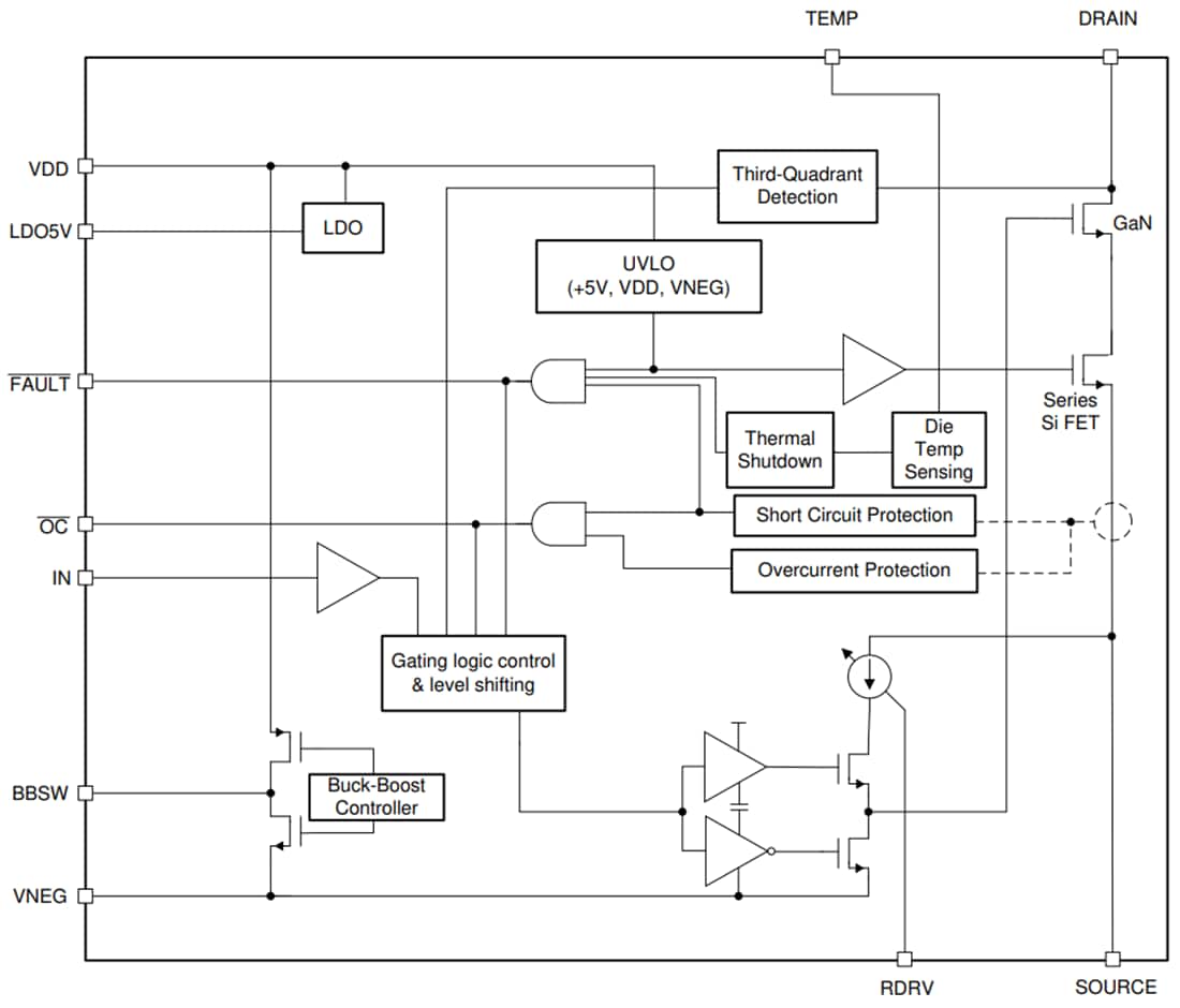
Texas Instruments LMG3425R050包括理想二极管模式,可通过自适应死区时间控制降低第三象限损耗。高级电源管理功能包括数字温度报告和故障检测。GaN FET的温度通过可变占空比PWM输出进行报告,这可简化器件加载管理。报告的故障包括过热、过流和UVLO监控。
特性
- 符合面向硬开关拓扑的JEDEC JEP180标准
- 带集成栅极驱动器的600V GaN-on-Si FET
- 集成高精度栅极偏置电压
- CMTI:200V/ns
- 3.6MHz开关频率
- 20V/ns至150V/ns压摆率,用于优化开关性能和缓解EMI
- 在7.5V至18V电源下工作
- 高级电源管理
- 数字温度PWM输出
- 理想二极管模式可减少LMG3425R050中的第三象限损耗
- 强大的保护功能
- 响应时间少于100ns的逐周期过流和锁存短路保护
- 硬开关时可承受720 V浪涌
- 针对内部过热和UVLO监控的自我保护
应用
- 高密度工业电源
- 光伏逆变器和工业电机驱动器
- 不间断电源
- 商户网络和服务器PSU
- 商用电信用整流器
功能框图
发布日期: 2022-06-06
| 更新日期: 2024-06-28

