Texas Instruments LMG3522R030/LMG3522R030-Q1 650V 30mΩ GaN FET
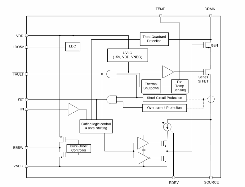
Texas Instruments LMG3522R030/LMG3522R030-Q1 650V 30mΩ GaN FET具有集成式驱动器和保护功能,适用于开关模式电源转换器。LMG3522R030/LMG3522R030-Q1集成有硅驱动器,可实现高达150V/ns的开关速度。与分立式硅栅极驱动器相比,TI的集成式精密栅极偏置可实现更高的开关SOA。这种集成特性与TI的低电感封装技术相结合,可在硬开关电源拓扑中提供干净的开关和超小的振铃。可调栅极驱动强度允许将压摆率控制在20V/ns至150V/ns 之间,这可用于主动控制EMI并优化开关性能。TI LMG3522R030/LMG3522R030-Q1 650V 30mΩ GaN FET具有高级电源管理特性,包括数字温度报告和故障检测。报告的故障包括过热、过流和UVLO监控。LMG3522R030-Q1器件符合汽车应用类AEC-Q100标准。
特性
- 带集成栅极驱动器的650V GaN-on-Si FET
- 集成高精度栅极偏置电压
- FET保持关断:200V/ns
- 开关频率:2MHz
- 20V/ns至150V/ns压摆率,用于优化开关性能和缓解EMI
- 在7.5V至18V电源下工作
- 高级电源管理
- 数字温度PWM输出
- 强大的保护功能
- 逐周期过流和锁存短路保护,响应时间<100ns
- 硬开关时可承受720 V浪涌
- 针对内部过热和UVLO监控的自我保护
- 顶部冷却12mm x 12mm VQFN封装可隔离电气和热路径,实现最低功耗环路电感
应用
- 开关模式电源转换器
- 商户网络和服务器PSU
- 商用电信用整流器
- 光伏逆变器和工业电机驱动器
- 不间断电源
简化框图
功能框图
发布日期: 2022-12-20
| 更新日期: 2023-09-07
