Texas Instruments LMH32404/LMH32404-Q1跨阻抗放大器
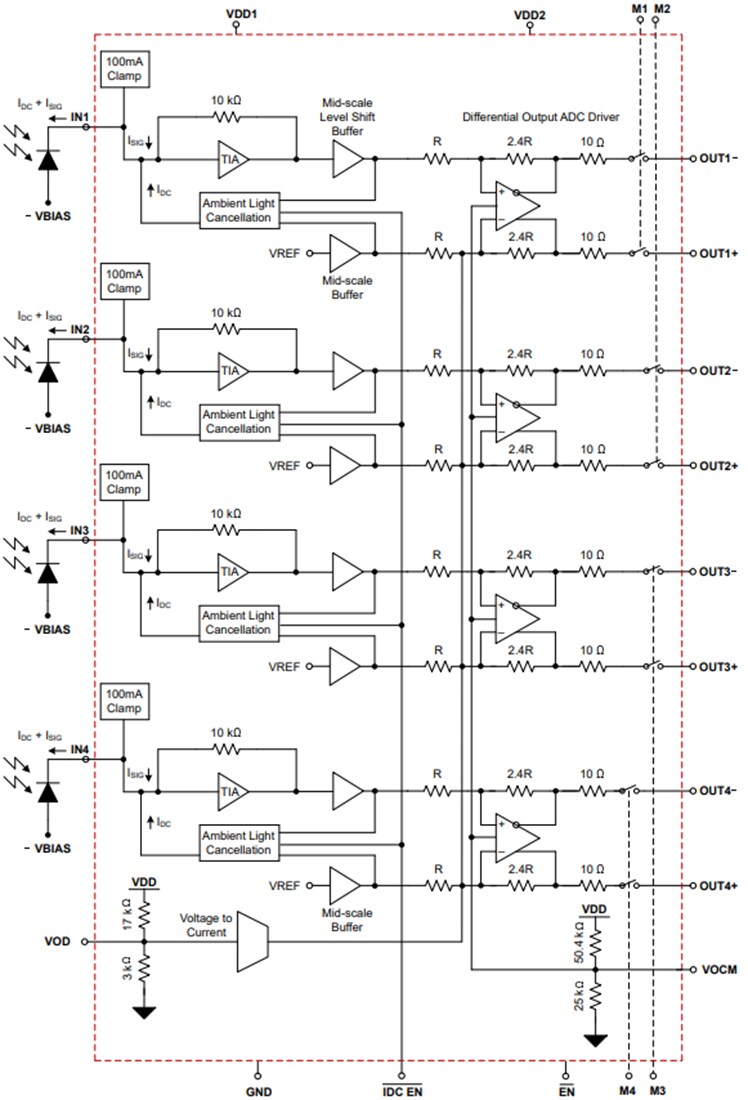
Texas Instruments LMH32404/LMH32404-Q1跨阻抗放大器 (TIA) 是一款四通道、单端输入至差分输出TIA,用于光检测和测距 (LIDAR) 应用以及激光距离测量系统。LMH32404/LMH32404-Q1在每个通道上集成有100mA钳位,可保护放大器并使该器件能够在过载输入情况下快速恢复。LMH32404/LMH32404-Q1在每个通道上还具有集成的环境光抵消 (ALC) 电路,可用于替代光电二极管和放大器之间的交流耦合,以节省电路板空间以及降低系统成本。测量直流和低频内容时,应禁用ALC环路。每个LMH32404/LMH32404-Q1通道都有集成开关,可将差分输出放大器与输出引脚断开,将通道置于待机模式。在不同通道之间切换时,转换时间仅为10ns。Texas Instruments LMH32404/LMH32404-Q1可通过EN引脚置于低功耗模式,从而在不使用放大器时节能。LMH32404-Q1器件符合汽车应用类AEC-Q100认证。
特性
- 增益:20kΩ
- 性能,CPD=1pF
- 带宽:350MHz
- 输入参考噪声:56nARMS
- 上升、下降时间:1.25ns
- 静态电流:28mA/通道
- 待机模式:10mA/通道
- 低功耗模式:2.5mA(4通道)
- 通道切换时间:10ns
- 集成的环境光抵消
- 集成100mA保护钳位
- 四个输入通道和四个差分输出通道
- 集成多路复用器可在光学传感器和ADC/TDC之间灵活配置
- 多个LMH32404可并联,形成更宽视场 (FoV)
- 温度范围:-40°C至+125°C
应用
- 机械扫描LIDAR
- 固态扫描LIDAR
- 激光测距仪
- 安全区域扫描仪
功能框图
发布日期: 2021-10-11
| 更新日期: 2023-01-23
