LMK04228超低噪声时钟抖动清除器既具有出色的性能,又具有多种特性,如功率和性能均衡调节、双VCO、保持模式和可根据输出调节的模拟和数字延迟, 因此非常适合用于提供灵活的高性能时钟树。
特性
- 支持JEDEC JESD204B
- 超低RMS抖动
- 156fs RMS抖动(12kHz至20MHz)
- 245fs RMS抖动(100Hz至20MHz)
- -162.5dBc/Hz本底噪声(245.76MHz时)
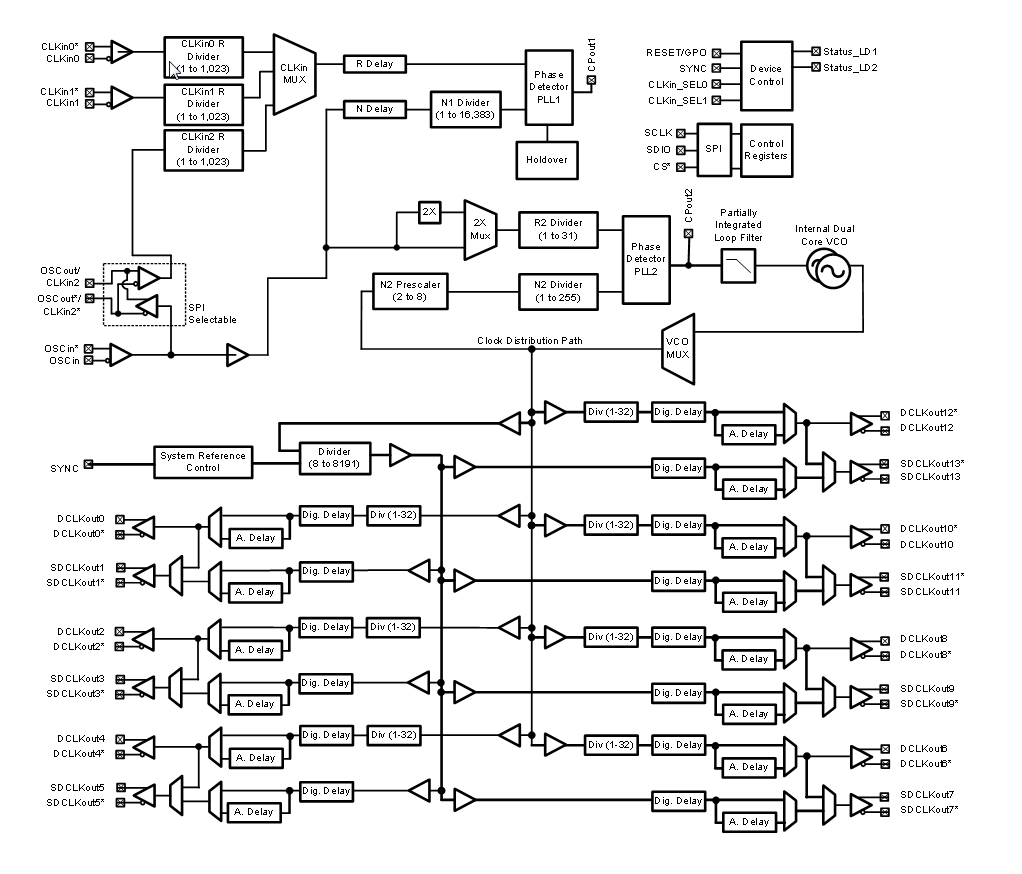
- PLL2提供多达14个差分器件时钟
- 最多7个SYSREF时钟
- 最高时钟输出频率:1.25GHz
- PLL2提供LVPECL、LVDS可编程输出
- PLL1提供缓冲的VCXO或晶体输出
- LVPECL、LVDS、2xLVCMOS可编程
- 双环路PLLatinum™ PLL架构
- PLL1
- 最多3个冗余输入时钟
- 自动和手动切换模式
- 无中断切换和LOS
- 集成式低噪晶体振荡器电路
- 输入时钟丢失时保持模式
- 最多3个冗余输入时钟
- PLL2
- 标准化[1Hz] PLL本底噪声为-224dBc/Hz
- 相位检测器频率高达155MHz
- OSCin倍频器
- 两个集成式低噪声VCO
- 50%占空比输出分配,1至32(偶数和奇数)
- 精密数字延迟
- 25ps步长模拟延迟
- 多模式:双PLL或单PLL
- 工业温度范围:-40°C至+85°C
- 工作电压:3.15V至3.45V
- 封装:64引脚WQFN (9.0mm × 9.0mm × 0.8mm)
应用
- 无线基础设施
- 数据转换计时
- 组网、SONET/SDH、DSLAM
- 医疗/视频/军用/航空
- 测试与测量
框图
简化示意图
发布日期: 2019-10-14
| 更新日期: 2023-12-11

