Texas Instruments LMR23615/LMR23615-Q1降压转换器
Texas Instruments LMR23615/LMR23615-Q1 SIMPLE SWITCHER®降压转换器是易于使用的36V、1.5A同步降压稳压器。该器件的宽输入电压范围为4.5V至36V,适用于调节从工业到汽车等各类应用中非稳压电源的电源调理。采用了峰值电流模式控制,以实现对环路补偿和逐周期电流限制的简单控制。75µA静态电流使其非常适合用于电池供电系统。超低2µA关断电流可进一步延长了电池使用时间。内部环路补偿将用户从环路补偿设计的繁琐工作中解放出来。还使外部元件数量降到最低程度。LMR23630-Q1器件符合汽车应用类AEC-Q100标准。特性
- 输入电压范围:4V至36V
- 连续输出电流:1.5A
- 集成式同步整流
- 带内部补偿的电流模式控制
- 最短接通时间:60ns
- 可调开关频率
- 轻负载PFM模式
- 与外部时钟频率同步
- 静态电流:75µA
- 软启动进入预偏压负载
- 支持高占空比工作
- 具有断续模式的输出短路保护
- 散热保护
- 采用PowerPAD™技术的12引脚WSON可湿性侧翼封装
应用
- 工厂和楼宇自动化系统:PLC CPU、HVAC控制、电梯控制
- GSM、GPRS模块,用于车队管理、智能电网和安保
- 通用宽幅VIN稳压
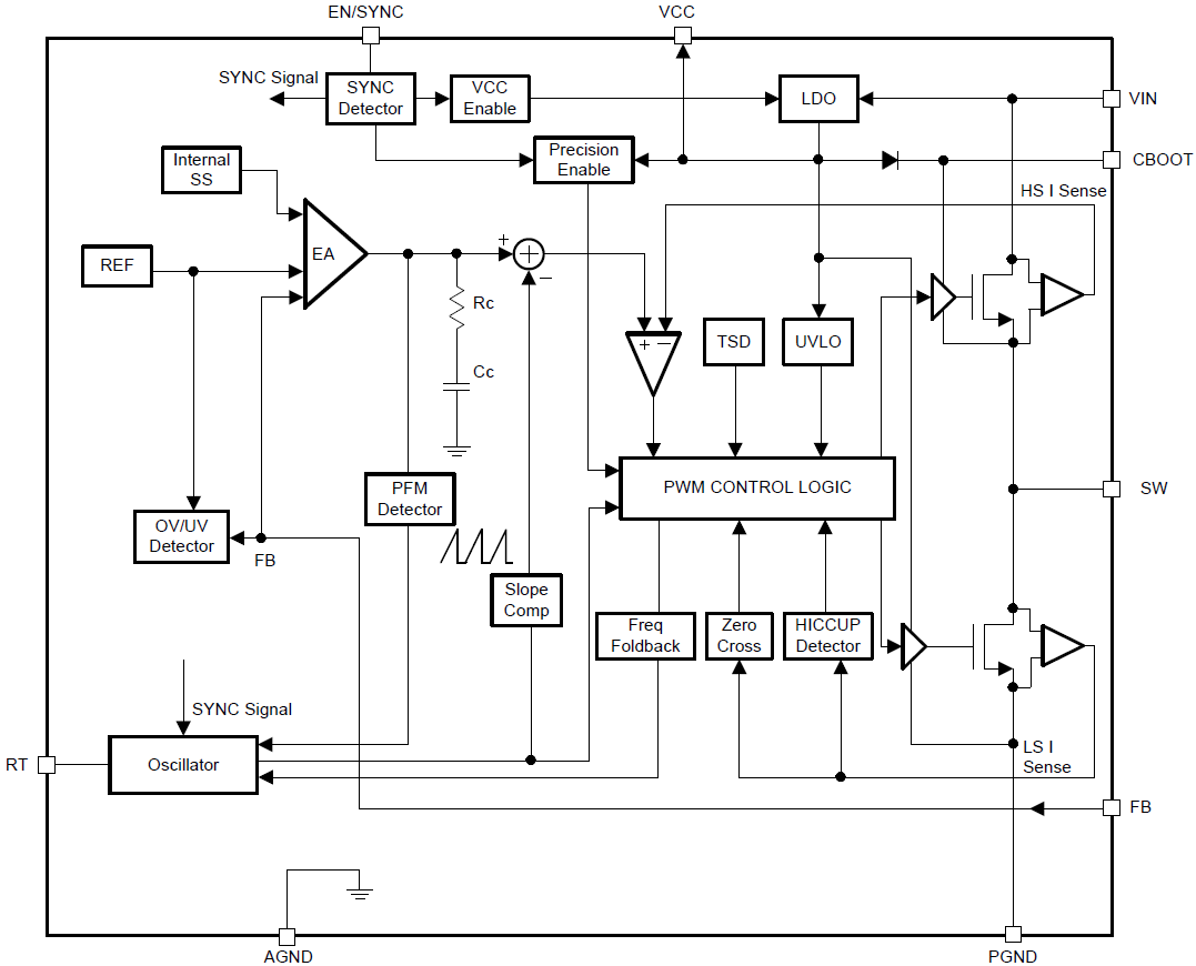
功能框图
发布日期: 2018-04-06
| 更新日期: 2022-11-22
