Texas Instruments LMR514xx的开关频率为400kHz和1.1MHz,支持相对较小的电感器,从而优化设计尺寸。其PFM版本可在轻负载时实现高效率,FPWM版本可在整个负载范围内实现低输出电压纹波和恒定频率。在内部实现补偿电路和软启动,因此该器件仅需极少外部元件即可使用。
该器件内置有保护功能,例如断续模式短路保护、逐周期电流限制以及功耗过高情况下的热关断功能。
特性
- 支持功能安全
- 来辅助功能安全系统设计的文档
- 配置用于严苛的工业应用
- 输入电压范围:4 V至42 V
- 输入瞬态保护:高达50 V
- 连续输出电流:0.6A/1A
- 最短导通时间:80 ns
- 固定开关频率:400kHz和1.1MHz
- 结温范围:–40°C至150 °C
- 最大工作周期:98%
- 单调启动,带预偏置输出
- 具有断续模式的输出短路保护
- 精密使能
- 容差电压参考:±1.5%
应用
- 大型家用电器
- PLC、DCS和PAC
- 智能电表
- 电力输送
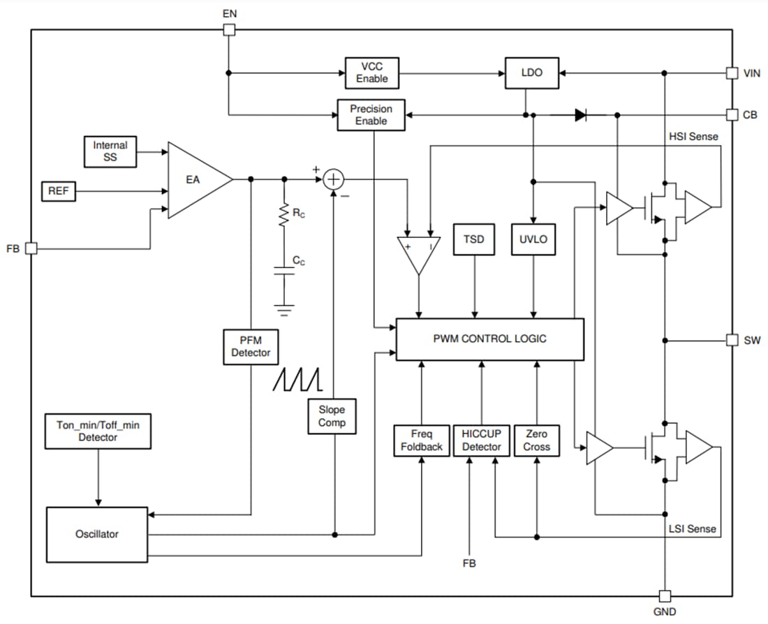
功能框图
发布日期: 2024-07-01
| 更新日期: 2024-07-04

