Texas Instruments LMR516x5同步降压转换器
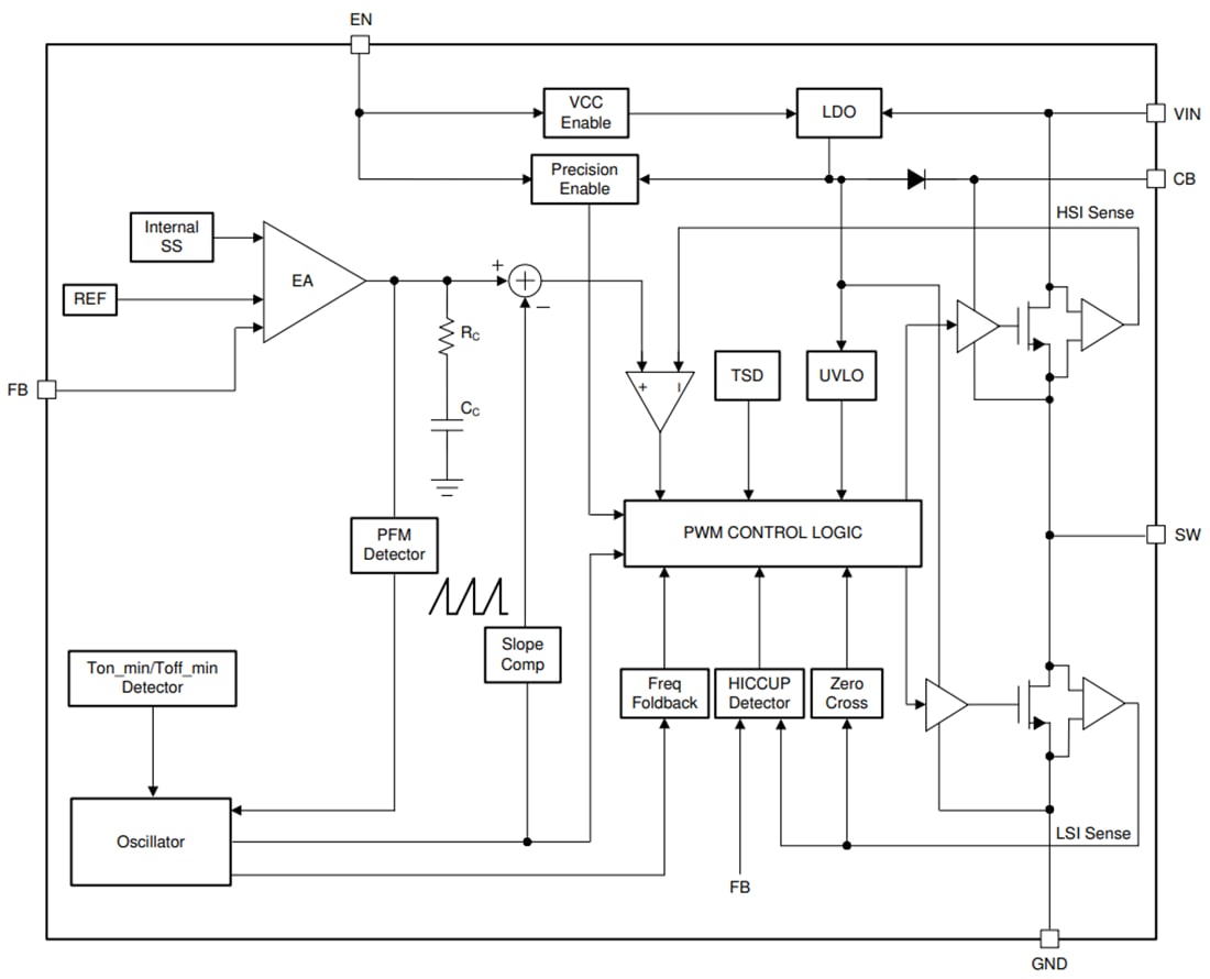
Texas Instruments LMR516x5同步降压转换器可驱动高达2.5A或3.5A的负载电流。该器件的输入电压范围为4.3V至60V,设计用于需要对非稳压电源进行功率调节的各类工业应用。Texas Instruments LMR516x5的开关频率为400kHz或1.1MHz,支持相对较小的电感器,因而可优化设计尺寸。该器件具有脉冲频率调制(PFM版本),可在轻负载时实现高效率,另外还具有强制脉宽调制(PFM版本),可在整个负载范围内实现小输出电压纹波和恒定频率。该器件内部设有补偿和软启动电路,因此在使用时所需的外部元件数量极少。该器件内置保护功能,如限流、逐周期、热关断和断续模式短路保护,可有效应对功耗过高的情况。
特性
- 配置用于严苛的工业应用
- 输入电压范围:4.3 V至60 V
- 连续输出电流:2.5A或3.5A
- 低工作静态电流:29 µA
- 最短导通时间:70 ns
- 开关频率:400kHz和1.1MHz
- 频率扩频(PFM型号)
- 结温范围:–40°C至150 °C
- 最大占空比:96%
- 单调启动,带预偏置输出
- 具有断续模式的输出短路保护
- 精密使能
- 容差电压参考:±1%
- 支持功能安全,可提供用于功能安全系统设计的文档
- 设计尺寸小,易于使用
- 集成式同步整流
- 内部补偿,便于使用
- SOT-23 封装
- 引脚对引脚兼容封装中的各种选项,具有PFM和强制PWM(FPWM)选项
应用
- 大型家用电器
- PLC、DCS和PAC
- 智能电表
- 通用宽范围VIN 电源
功能框图
发布日期: 2025-03-24
| 更新日期: 2025-04-18
