Texas Instruments LMR516xx/LMR516xx-Q1电源转换器
Texas Instruments LMR516xx/LMR516xx-Q1 SIMPLE SWITCHER® 电源转换器是宽VIN、易于使用的同步降压转换器,能够驱动高达0.6A和1A负载电流。该设备具有4V至65V的宽输入范围,设计用于各种工业应用,对非稳压电源进行功率调节。LMR516xx/LMR516xx-Q1在400kHz和1.1MHz开关频率下工作,支持相对较小的电感器,从而优化设计尺寸。LMR516xx/LMR516xx-Q1采用PFM版本在轻负载时实现高效率,采用FPWM版本在整个负载范围内实现恒定频率和小输出电压纹波。内部设有软启动和补偿电路,因此该设备仅需极少外部组件即可使用。Texas Instruments LMR516xx/LMR516xx-Q1具有内置保护特性,例如逐周期限流、断续模式短路保护以及功耗过高时热关断。LMR516xx-Q1器件符合汽车应用类AEC-Q100认证。
特性
- 支持功能安全
- 来辅助功能安全系统设计的文档
- 配置用于严苛的工业应用
- 输入电压范围:4V至65V
- 输入瞬态保护高达70V
- 连续输出电流:0.6A/1A
- 最短导通时间:80 ns
- 固定开关频率:400kHz和1.1MHz
- 结温范围:-40°C至150°C
- 最大工作周期:98%
- 单调启动,带预偏置输出
- 具有断续模式的输出短路保护
- 精密使能
- 参考电压容差:±1.5%
应用
- 大型家用电器
- PLC、DCS和PAC
- 智能电表
- 供电
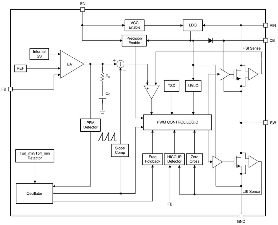
功能框图
发布日期: 2024-03-05
| 更新日期: 2025-08-01
