Texas Instruments LMR544xx的开关频率为1.1MHz,支持使用相对较小的电感器,从而优化解决方案尺寸。它有PFM版本,可在轻负载时实现高效率;FPWM版本可在整个负载范围内实现恒定频率和小输出电压纹波。内部配有软启动和补偿电路,使设备需要的外部元件降到最低程度。
该器件具有内置保护功能,例如逐周期限流、断续模式短路保护以及功耗过高时热关断。
特性
- 支持功能安全
- 来辅助功能安全系统设计的文档
- 配置用于严苛的工业应用
- 输入电压范围:4V至36V
- 承受高达50V VIN短瞬态电压
- 连续输出电流:0.6A/1A
- 最短接通时间:60ns
- 固定开关频率:1.1MHz
- 结温范围:-40°C至150°C
- 最大工作周期:98%
- 单调启动,带预偏置输出
- 具有断续模式的短路保护
- 精密使能
- 容差电压参考:±1%
- 小型解决方案,易于使用
- 集成式同步整流
- 内部补偿,便于使用
- SOT-23封装
- 与LMR14010A、LMR50410和TPS560430引脚对引脚兼容
- 引脚兼容封装中各种选项
- PFM或强制PWM (FPWM) 选项
应用
- 大型家用电器
- PLC、DCS和PAC
- 智能电表
- 通用宽VIN电源
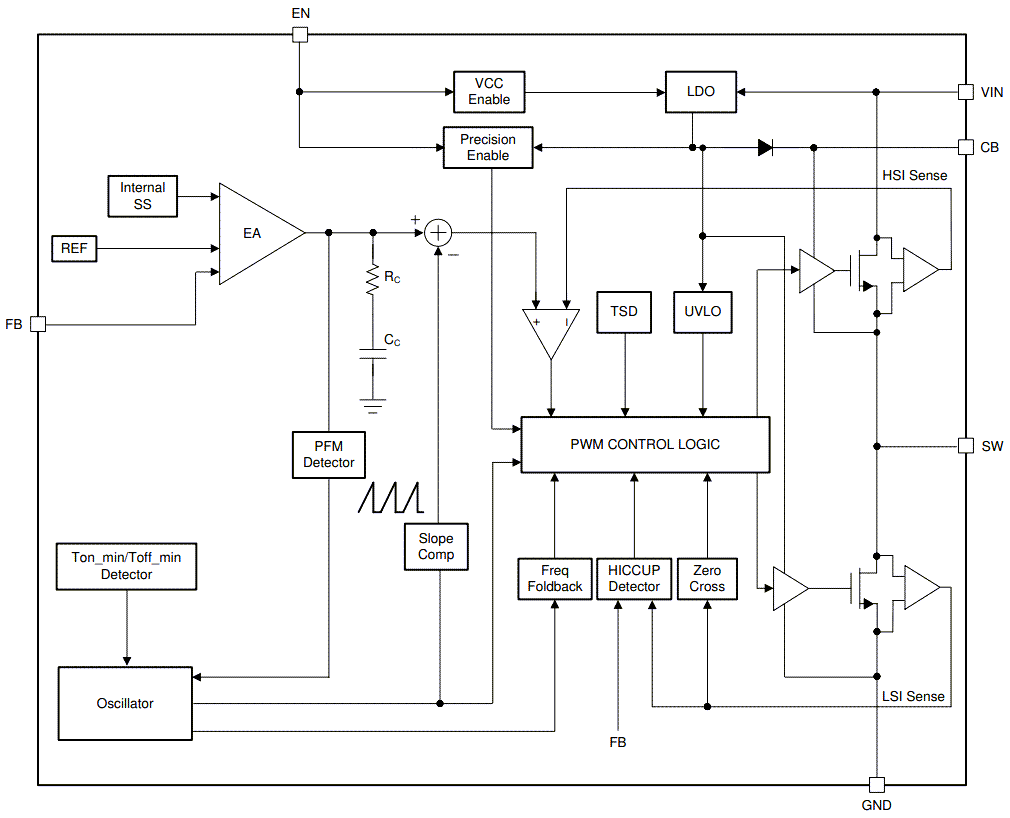
功能框图
发布日期: 2022-03-11
| 更新日期: 2022-09-12

