Texas Instruments LMR60406-Q1同步降压式转换器
Texas Instruments LMR60406-Q1同步降压式转换器是一款汽车36V、0.6A转换器,具有低EMI、高效率和最小化电容输出。该降压式转换器的工作频率范围为200kHz至2.2MHz,具有可编程切换频率特性。LMR60406-Q1 DC-DC转换器旨在有效地将较高的输入电压降至较低的调节输出电压。该转换器提供扩频变速器,封装于超紧凑的2.5mm x 2mm HotRod QFN-9封装中,并可选配可润湿侧面。LMR60406-Q1设备符合AEC-Q100的汽车应用要求。该LMR60406-Q1转换器适用于汽车信息娱乐和仪表板、汽车驱动器辅助系统和汽车车身要求。特性
- 提供功能安全文档,以帮助设计功能安全系统。
- 符合汽车应用类AEC-Q100标准
- 环境工作温度范围:-40°C至125°C,设备温度等级:1
- 输入电压范围较宽:3V至36V(绝对最大值42V)
- 可编程输出电压选项,固定为3.3V/ADJ和5V/ADJ
- 可调输出电压范围:1 V至20 V
- 低最小导通时间tON 为30ns(典型值)
- 针对低电磁干扰(EMI)要求进行了优化:
- 低电感HotRod™ QFN封装
- 提供先进的扩频选项
- 可编程切换频率范围为200kHz至2.2MHz
- 可使用FPWM、PFM或外部频率同步
- 超低静态电流:
- 关断电流:0.65 μA
- 待机电流:5 μA
- 设计用于可扩展电源:
- 与LMR60410-Q1、LMR60420-Q1、LMR60430-Q1和LMR60440-Q1引脚兼容
- 电源良好输出,用于电源排序
应用
- 汽车信息娱乐和仪表板
- 汽车驱动器辅助系统
- 汽车车身要求
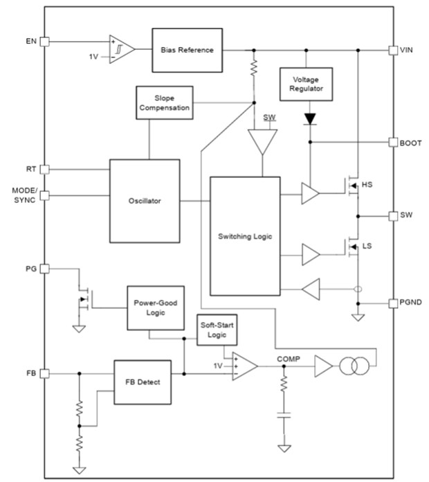
方框图
发布日期: 2025-09-19
| 更新日期: 2025-09-30
