Texas Instruments LMX1204 JESD缓冲器/多路复用器/分频器
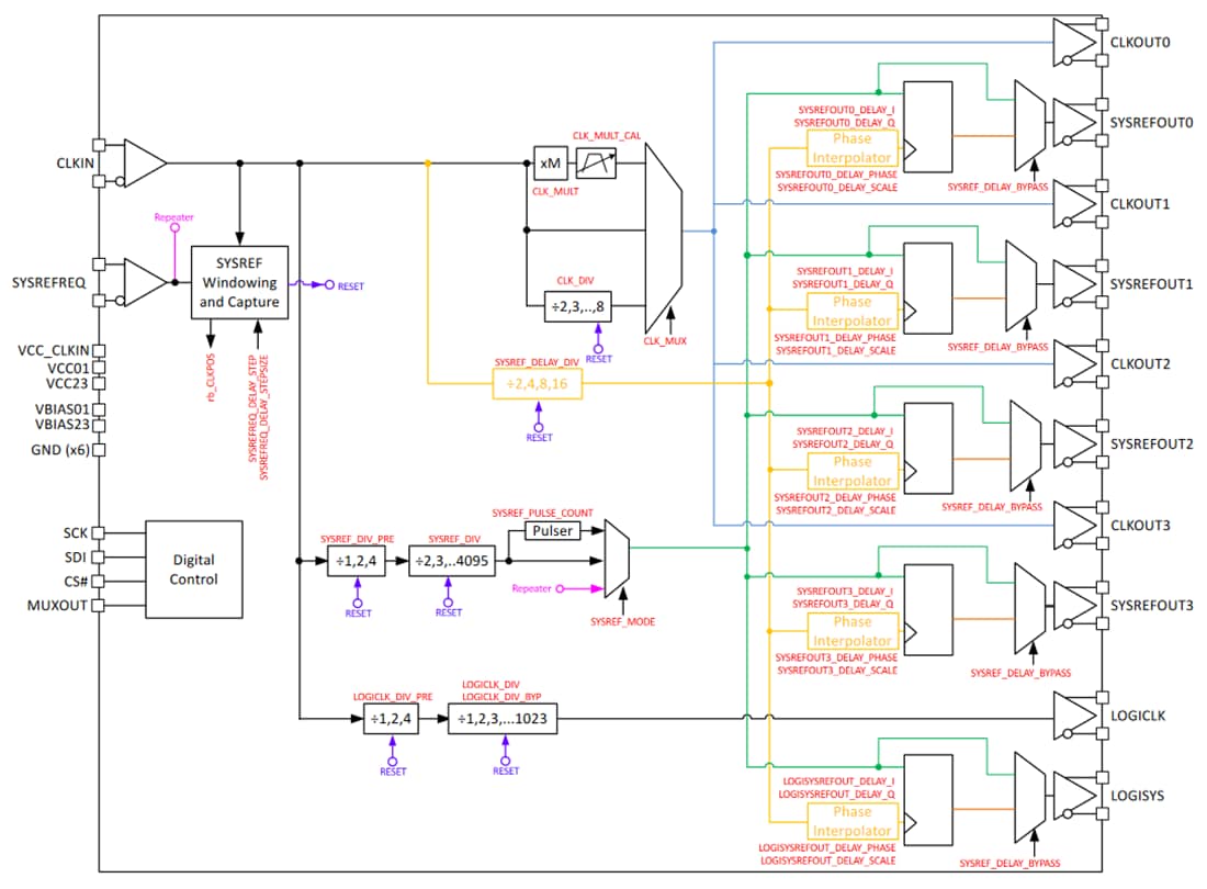
Texas Instruments LMX1204 JESD缓冲器/多路复用器/分频器具有高频能力和极低抖动。这一特性可在不降低信噪比的情况下,很好地解决时钟精度、高频数据转换器问题。四个高频时钟输出中的每一个输出以及具有更大分频器范围的附加LOGICLK输出都与SYSREF输出时钟信号配对。JESD接口的SYSREF信号可以在内部生成,也可以作为输入传入,并重新计时为器件时钟。对于数据转换器时钟应用,务必使时钟的抖动小于数据转换器的孔径抖动。在需要对四个以上数据转换器进行时钟控制的应用中,可以使用多个器件开发各种级联架构,以分配所需的所有高频时钟和SYSREF信号。凭借其低抖动和低本底噪声,Texas Instruments LMX1204可与超低噪声基准时钟源相结合,是时钟控制型数据转换器的典型解决方案,尤其是以高于3GHz的频率采样时。特性
- 输出频率:300 MHz至12.8 GHz
- 超低噪声
- 6GHz输出时,本底噪声为–161dBc/Hz
- 6GHz输出、10kHz偏移时,1/f噪声为–154dBc/Hz
- 抖动:5fs(12kHz至20MHz)
- 附加抖动:<30fs(DC至fCLK)
- 四个具有相应SYSREF输出的高频时钟
- 共享分频器,支持÷1(缓冲器模式)、÷2、3、4、5、6、7和8
- 基于PLL的共享倍频器,支持x1(滤波器模式)、x2、x3和x4
- LOGICLK和相应的SYSREF输出
- 基于单独的分频组
- ÷1、2、4预分频器
- ÷1(旁路)、2、…、1023后分频器
- 八个可编程输出功率级别
- 同步SYSREF时钟输出
- 在12.8GHz下,508次延迟步长调整,每次小于2.5ps
- 发生器和中继器模式
- SYSREFREQ引脚的窗口化功能,以优化计时
- 针对所有分频和倍频器件的同步功能
- 工作电压:2.5V
- 工作温度:-40ºC至85ºC
应用
- 测试与测量
- 示波器
- 无线设备测试仪
- 宽带数字转换器
- 通用型
- 数据转换器时钟
- 时钟缓冲器分配/分频
- 航空航天与国防
- 雷达
- 电子战
- 搜索器前端
- 弹药
- 相控阵天线/波束形成
功能框图
发布日期: 2024-06-21
| 更新日期: 2024-06-25
