LP5860T支持模拟调光和PWM调光方法。对于模拟调光,每个LED点均可进行256级调整。对于PWM调光,集成的8位或16位可配置PWM发生器可让调光控制平顺、无可闻噪声。每个LED点也可任意映射到8位群组PWM中,从而实现调光控制。
LP5860T器件实现了完整的可寻址SRAM,从而最大程度地减少数据流量。集成了重影消除电路,可消除上下重影。Texas Instruments LP5860T还支持LED开路和短路检测功能。1MHz(最大值)I2C和12-MHz(最大值)SPI均采用LP5860T封装。
特性
- LED矩阵拓扑
- 六个恒定电流阱,带七个扫描开关,用于42个LED点
- 可配置为1至7个扫描开关
- 工作电压范围
- VCC/VLED 范围为2.7V至5.5V
- 逻辑引脚兼容1.8 V、3.3 V和5 V
- 灵活的调光选择
- 对每个LED点进行单独的开/关控制
- 模拟调光(电流增益控制)
- 为所有LED点提供全局7位最大电流 (MC) 设置
- 三组7位彩色电流 (CC) 设置,用于红色、绿色和蓝色
- 单独8位点电流 (DC) 设置,用于每个LED点
- PWM调光,无可闻噪声频率
- 全局8位PWM调光,用于所有LED点
- 3组可编程8位PWM调光,用于LED点任意映射
- 单独8位或16位PWM调光,用于每个LED点
- 18个高精度恒定电流阱
- 每个电流阱:100mA(VCC ≥ 3.3V时)
- 器件间误差:±5%
- 通道间误差:±5%
- 相移,实现平衡瞬态功率
- 超低功耗
- 关断模式:ICC ≤ 1µA(EN =Low时)
- 待机模式:ICC ≤ 10µA(EN =High和CHIP_EN = 0时)(保留数据)
- 主动模式:通道电流 = 12.5mA时,ICC = 5mA(典型值)
- 完全可寻址SRAM,可最大限度地减少数据流量
- 单个LED点开路/短路检测
- 去重影和低亮度补偿
- 接口选项
- IFS = Low时,1MHz(最大值)I2C接口
- IFS = High时,12MHz(最大值)SPI接口
应用
- LED动画和指示
- 大型和智能家电
- 全局RGB键盘背光
- 室外键盘背光
- 用于视频监控和IP摄像头的红外模块
- 光学模块中的激光二极管
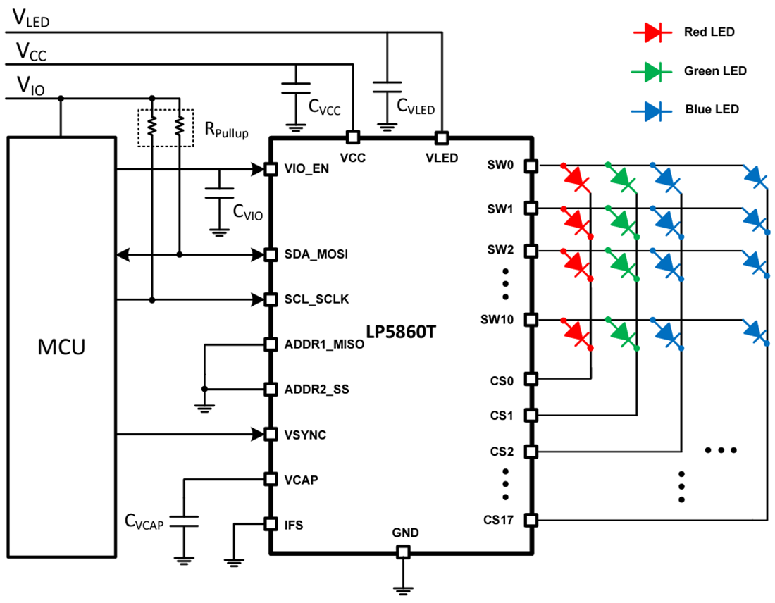
简化示意图
发布日期: 2023-10-24
| 更新日期: 2024-03-20

