LP873220/LP873220-Q1通过兼容I2C的串行接口和使能信号进行控制。自动PWM/PFM(自动模式)操作可在宽输出电流范围内发挥高效率。该器件支持远程电压传感,以便补偿稳压器输出与负载点 (POL) 之间的IR压降,从而提高输出电压的精度。另外,可以强制开关时钟进入PWM模式并将其与外部时钟同步,从而最大限度地降低干扰。
特性
- 输入电压:2.8V至5.5V
- 两个高效降压直流-直流转换器
- 输出电压:0.7V至3.36V
- 最大输出电流:2A
- 可编程输出电压转换率:0.5mV/µs至10mV/µs
- 开关频率:2MHz
- 扩频模式和相位交错,从而降低EMI
- 两个线性稳压器:
- 输入电压:2.5V至5.5V
- 输出电压:0.8V至3.3V
- 最大输出电流:300mA
- 可配置通用输出信号(GPO、GPO2)
- 中断功能,具有可编程屏蔽
- 可编程电源正常信号 (PGOOD)
- 输出短路和过载保护
- 过温警告和保护
- 过压保护 (OVP) 和欠压锁定 (UVLO)
- 28引脚、5mm×5mm VQFN封装,带可湿性侧翼
- 具有符合 (LP873220-Q1) AEC-Q100标准的下列特性:
- 器件温度等级1:-40°C至+125°C的环境工作温度范围
应用
- 汽车音响主机和集群
- 汽车摄像头模块
- 环视系统ECU
- 雷达系统ECU
- 汽车显示屏
数据手册
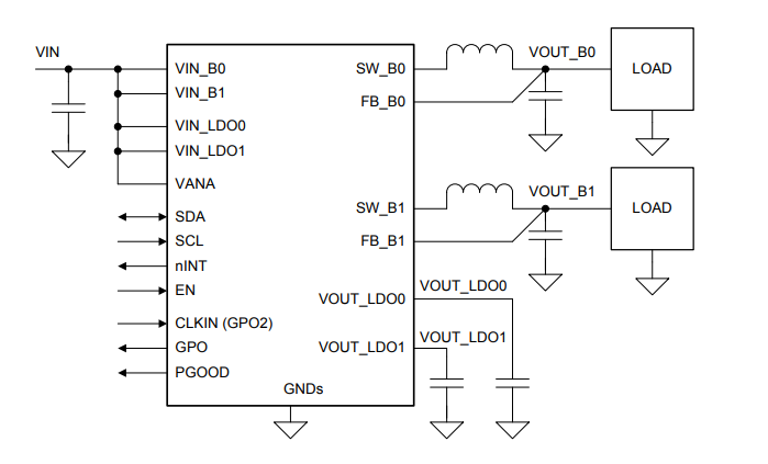
示意图
发布日期: 2018-11-15
| 更新日期: 2023-07-19

