自动PFM/PWM(AUTO模式)操作可在宽输出电流范围内最大程度地提高效率。LP87524x-Q1支持远程电压传感,以便补偿调节器输出与负载点 (POL) 之间的IR压降,从而提高输出电压的精度。此外,可以使开关时钟强行进入PWM模式,并且同步到外部时钟以最大限度地降低干扰。
特性
- 符合汽车应用标准
- 具有符合AEC-Q100标准的下列结果:
- 器件温度等级1:-40°C至+125°C的环境工作温度范围
- 输入电压:2.8V至5.5V
- 输出电压:0.6V至3.36V
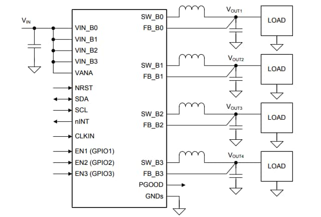
- 四个高效降压直流-直流转换器内核
- 总输出电流高达10A
- 输出电压转换率:3.8mV/µs
- 4MHz开关频率
- 扩频模式和相位交错
- 可配置通用I/O (GPIO)
- I2C兼容接口,支持标准 (100kHz)、快速 (400kHz)、超快速(1MHz) 和高速 (3.4MHz) 等模式
- 中断功能,具有可编程屏蔽
- 可编程电源正常信号 (PGOOD)
- 输出短路和过载保护
- 过温警告和保护
- 过压保护 (OVP) 和欠压锁定 (UVLO)
应用
- 汽车信息娱乐系统
- 集群
- 雷达
- 摄像头电源
示意图
发布日期: 2017-09-18
| 更新日期: 2025-03-05

