升压斩波电路具有基于led电流吸收器的净空电压的自适应输出电压控制。该功能通过在所有条件下将升压电压调整到最低的足够电平,从而最大限度地降低功耗。Texas Instruments LP8872-Q1支持内置模拟电流调光和混合PWM调光,可降低EMI,提高总光效,并延长led使用寿命。
特性
- 符合汽车应用类AEC-Q100标准,设备温度等级1:–40°C至+125°C,TA
- 输入电压工作范围:3V至48V
- 六个高精度电流阱
- 每个通道高达150mA DC电流
- 电流匹配度为1%(典型值)
- 使用152Hz led输出PWM频率实现32000:1的高调光比率
- 采用I2C或PWM输入,LEDPWM调光分辨率高达16位
- 支持每个通道的独立PWM调光控制
- 高达48V VOUT 升压或SEPIC DC-DC转换器
- 集成5.4A开关FET
- 支持升压/SEPIC操作
- RDSON 为60mΩ,切换速度快,效率更高
- 可选双随机扩频升压,减少EMI
- 转换器可调节软起动
- 升压同步输入,可从外部时钟设置升压切换频率
- 升压禁用时,输出电压自动放电
- 自动相移PWM调光和直接PWM调光
- 混合调光和12位模拟调光
- 丰富的故障检测与指示
- 高达1MHz的I2C控制接口,带CRC校验
- 内部配置寄存器和非易失性存储器 (NVM) 的位完整性 (CRC) 错误检测
- 输入电压OVP、UVLO和OCP
- 升压过电流和过电压保护
- Led开路、短路和短路到接地故障检测
- 温度警告和温度关闭
- 解决方案尺寸小,成本低
- 动态可编程的切换频率范围为100kHz至2.2MHz
- 采用4mm × 4mm HotRod™ QFN封装,侧翼可润湿
应用
- 为以下应用提供背光:
- 汽车信息娱乐与仪表板
- 智能车镜
- 中央信息显示器 (CID)
- 平视显示器 (HUD)
- 摄像头监控系统
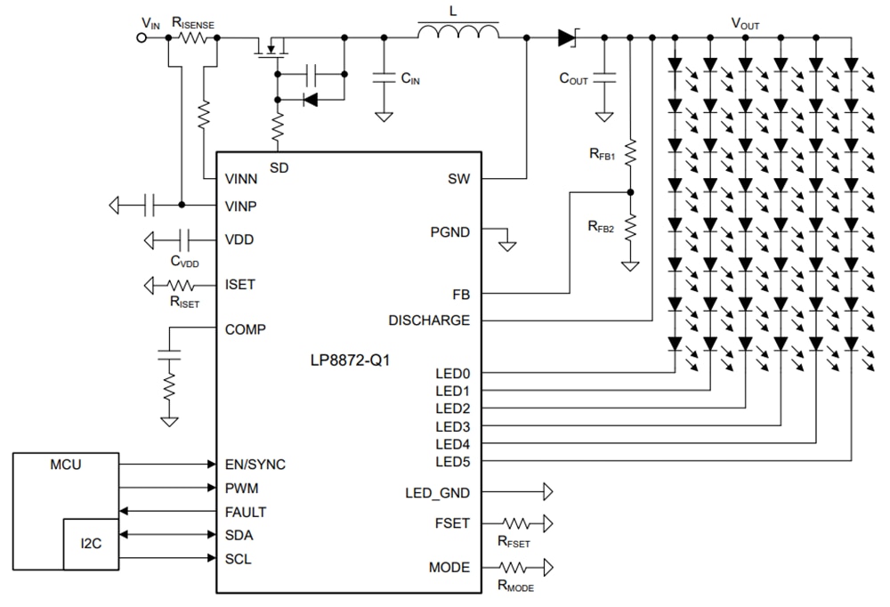
简化原理图
发布日期: 2025-09-17
| 更新日期: 2025-09-28

