Texas Instruments LV14240 SIMPLE SWITCHER®降压转换器

Texas Instruments LV14240 SIMPLE SWITCHER® 降压转换器具有4V至40V的宽输入范围,开发用于各种工业和汽车应用,对非稳压电源进行功率调节。40V、2A降压LV14240稳压器集成了高侧MOSFET,具有宽可调开关频率范围,可提高效率或优化外部元件尺寸。

TI LV14240转换器具有内部环路补偿功能,可最大限度地减少器件的外部元件数量。精密使能输入可简化稳压器控制和系统电源排序。LV14240还具有内置保护选项,例如逐周期限流、热传感、功耗过高引起的关断以及输出过压保护。

特性

  • 可供应更新的产品 - LMR51420 4.5V至36V、2A同步降压转换器
  • 缩短上市时间 - TLVM13620 3.6V至36V、2A同步降压电源模块
  • 4 V 到 40 V 的输入范围
  • 2 A 的可持续输出电流
  • 100mΩ高侧MOSFET
  • 最短导通时间:100 ns
  • 电流模式控制
  • 可调开关频率:200kHz至2MHz
  • 与外部时钟频率同步
  • 内部补偿,便于使用
  • 支持高占空比工作
  • 精密使能输入
  • 1 µA关断电流
  • 外部软启动
  • 热保护、过压保护和短路保护
  • 8引脚SOIC,采用PowerPAD™封装

应用

  • 汽车电池调节
  • 工业电源
  • 电信和数据通信系统

原理图

性能图表 - Texas Instruments LV14240 SIMPLE SWITCHER®降压转换器

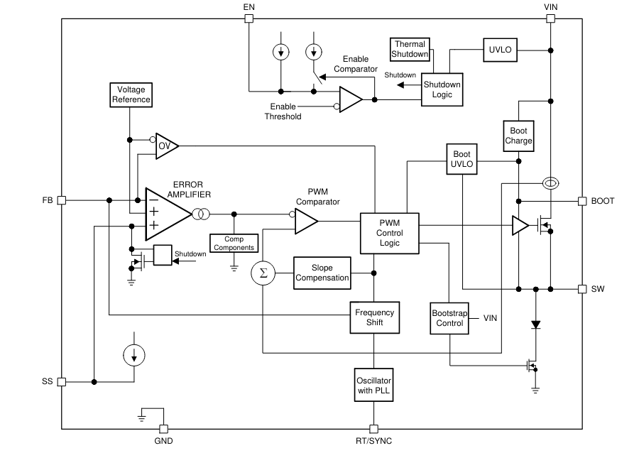
功能框图

框图 - Texas Instruments LV14240 SIMPLE SWITCHER®降压转换器
发布日期: 2024-05-14 | 更新日期: 2024-05-22