Texas Instruments LV14340 降压转换器

Texas Instruments LV14340降压转换器是一款集成了高侧MOSFET的40V、3.5A降压稳压器。该器件具有4V至40V的宽输入范围,非常适合各种工业和汽车应用,用于对非稳压电源进行功率调节。此外,宽可调开关频率范围可提高效率或优化外部元件尺寸。

TI LV14340转换器还具有内置保护选项,例如逐周期限流、热传感、功耗过高引起的关断以及输出过压保护。

LV14340采用8引脚HSOIC封装,具有裸露焊盘,可实现低热阻。

特性

  • 可供应更新的产品 - LMR51440 4至36V、4A、200kHz至1.1MHz同步转换器
  • 缩短上市时间 - TLVM13640 3至36V、4A、200kHz至2.2MHz电源模块
  • 4 V 到 40 V 的输入范围
  • 3.5 A 的可持续输出电流
  • 100mΩ高侧MOSFET
  • 最短导通时间:100 ns
  • 电流模式控制
  • 可调开关频率:200kHz至2MHz
  • 与外部时钟频率同步
  • 内部补偿,便于使用
  • 支持高占空比工作
  • 精密使能输入
  • 1μA关断电流
  • 热保护、过压保护和短路保护
  • 8引脚SOIC,采用PowerPAD™封装

应用

  • 汽车电池调节
  • 工业电源
  • 电信和数据通信系统
  • 电池供电系统

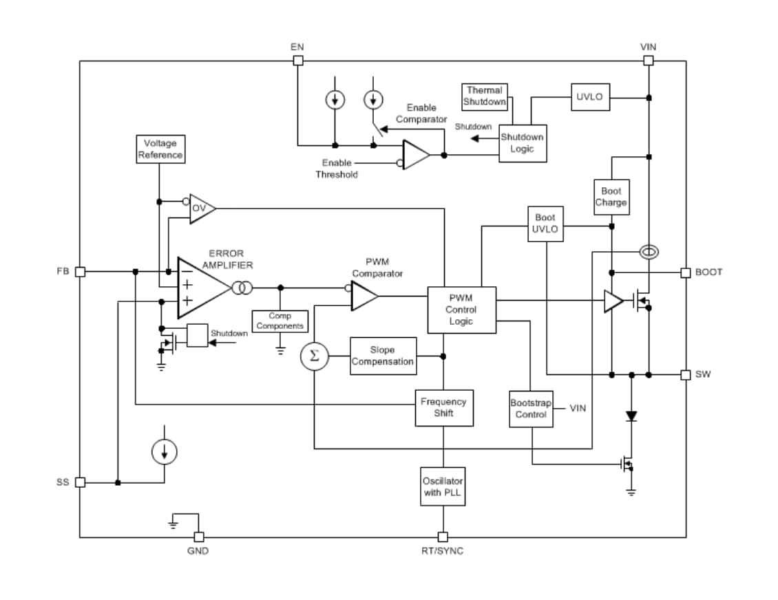
框图

框图 - Texas Instruments LV14340 降压转换器
图表 - Texas Instruments LV14340 降压转换器
发布日期: 2024-05-13 | 更新日期: 2024-05-23