Texas Instruments LV14360 60V 3A降压稳压器
Texas Instruments LV14360 60 V 3 A降压稳压器集成有高侧MOSFET。该器件具有4.3V至60V的宽输入电压范围,适用于各种工业和汽车应用对非稳压电源进行功率调节。该稳压器在睡眠模式下的静态电流为300µA,非常适合用于电池供电系统。关断模式下1µA的超低电流可进一步延长电池寿命。宽可调开关频率范围可优化效率或者外部组件尺寸。内部环路补偿将用户从环路补偿设计的繁琐工作中解放出来。该特性还可最大限度地减少器件所需的外部元件数量。精密使能输入简化了稳压器控制和系统电源排序。该器件还具有内置保护特性,例如逐周期限流、热传感、功耗过高关断以及输出过压保护。Texas Instruments LV14360采用8引脚、4.89 mm × 3.9 mm HSOIC封装,具有裸露焊盘,可实现低热阻。特性
- 4.3 V 到 60 V 的输入范围
- 3A连续输出电流
- 工作静态电流:300µA
- 155mΩ高侧MOSFET
- 电流模式控制
- 可调开关频率:200kHz至2MHz
- 与外部时钟频率同步
- 内部补偿,便于使用
- 支持高占空比工作
- 精密使能输入
- 1μA关断电流
- 热保护、过压保护和短路保护
- 8引脚HSOIC,采用PowerPAD™封装
应用
- 工业电源
- 通信设备和数据通信模块
- 通用宽VIN 稳压
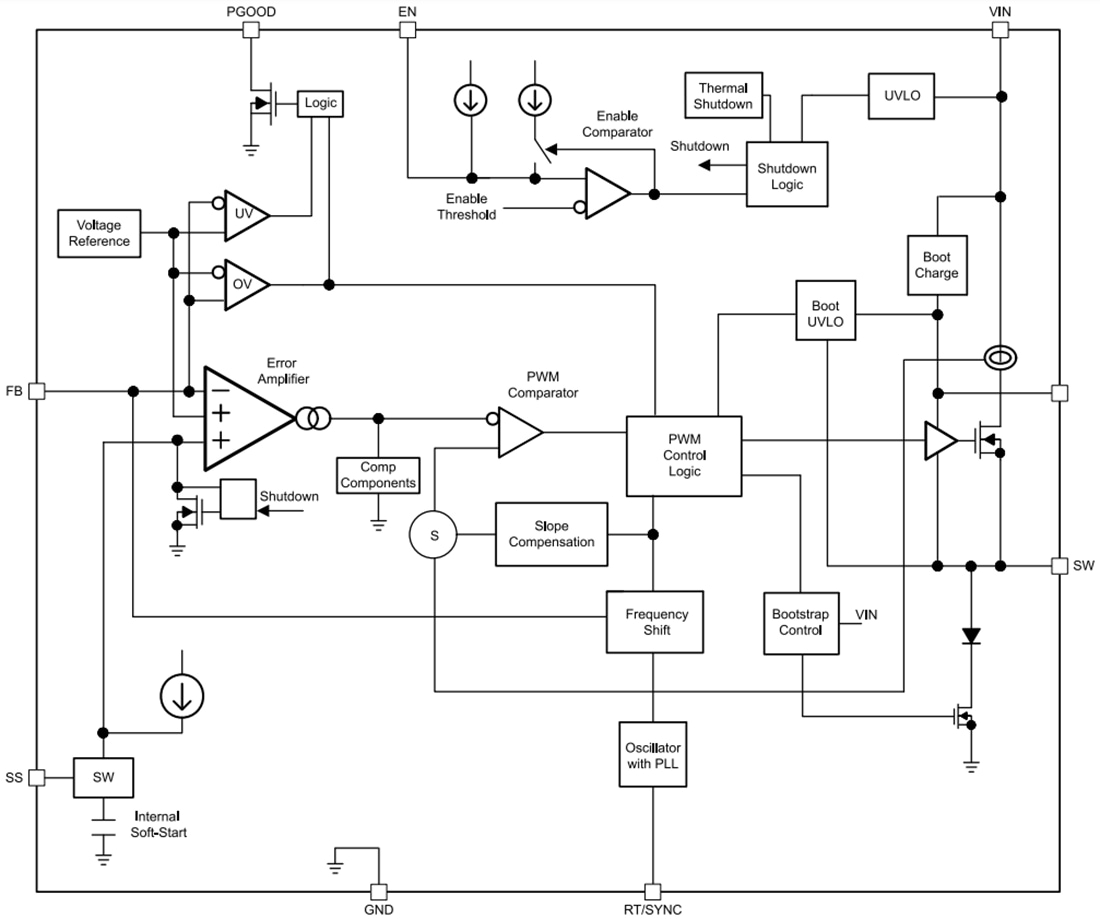
功能框图
发布日期: 2020-12-07
| 更新日期: 2024-10-11
