Texas Instruments MSP430FR2422超低功耗微控制器
Texas Instruments MSP430FR2422超低功耗微控制器 (MCU) 是MSP430™超值系列微控制器 (MCU) 产品组合的一部分,是TI成本最低的MCU系列,用于感应和测量应用。MSP430FR2422 MCU具有8KB非易失性存储器,设有8通道10位ADC。该架构、FRAM和集成外设与多种低功耗模式相结合,专为针对在便携式电池供电传感应用中延长电池寿命进行了优化。这些MCU将独特的嵌入式FRAM与整体式超低功耗系统架构相结合,使系统设计人员能够提高性能,同时降低能耗。FRAM技术将RAM的低能耗快速写入、灵活性和耐用性与闪存的非易失性相结合。特性
- 嵌入式微控制器
- 16 位 RISC 架构
- 支持的时钟频率高可达16MHz
- 宽电源电压范围:2.0V至3.6V
- 优化的超低功耗模式
- 激活模式:120µA/MHz(典型值)
- 待机:LPM3.5实时时钟 (RTC) 计数器,带32768Hz晶体:710nA(典型值)
- 关断 (LPM4.5):36nA,无SVS
- 低功耗铁电RAM (FRAM)
- 高达7.5KB的非易失性存储器
- 内置错误修正码 (ECC)
- 可配置写保护
- 程序、常量和存储的统一内存
- 1015写入周期持久性
- 抗辐射和非磁性
- 高FRAM比SRAM比率,高达4:1
- 高性能模拟
- 多达8通道10位模数转换器 (ADC)
- 智能数字外设
- 增强型串行通信,支持引脚重映射功能
- 时钟系统 (CS)
- 通用输入/输出和引脚功能
- 封装选项
- 20引脚:VQFN (RHL)
- 16引脚:TSSOP (PW)
应用
- 工业传感器
- 电池组
- 便携式设备
- 电动牙刷
- 低功耗医疗、健康和健身设备
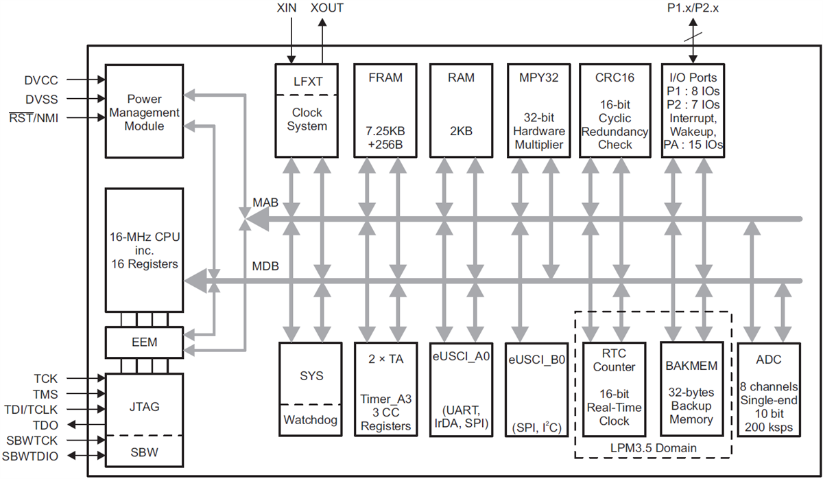
功能框图
发布日期: 2018-06-12
| 更新日期: 2025-04-16
