TI MSPM0G110x MCU非常适合用于电机控制、家用电器、不间断电源 (UPS) 和逆变器、医疗和保健、电网基础设施、照明和其他应用。
特性
- ARM 32位Cortex-M0+ CPU,带内存保护单元,频率高达80MHz
- 扩展温度范围:-40°C至105°C
- 宽电源电压范围:1.62V至3.6V
- 存储器
- 高达64KB闪存,内置ECC
- 高达32KB的ECC保护SRAM,带硬件奇偶校验
- 高性能模拟外设
- 两个同步采样12位4Msps模数转换器(ADC),具有多达17个外部通道
- 通过硬件平均功能实现14位的有效分辨率(250ksps时)。
- 一个通用放大器 (GPAMP)
- 可配置1.4V或2.5V内部共享电压基准 (VREF)
- 集成温度传感器
- 两个同步采样12位4Msps模数转换器(ADC),具有多达17个外部通道
- 智能数字外设
- 7通道DMA控制器
- 两个16位高级控制定时器,支持死区插入和故障处理
- 七个定时器,支持多达22个PWM通道
- 一个16位通用定时器
- 一个16位通用定时器支持QEI
- 两个16位通用定时器支持待机模式下的低功耗运行
- 一个32位通用定时器
- 两个16位高级定时器,带死区
- 两个窗口看门狗定时器
- 具有报警和日历模式的RTC
- 增强型通信接口
- 四个UART接口;一个支持LIN、IrDA、DALI、智能卡和曼彻斯特 (Manchester) 编码,三个支持待机模式下的低功耗运行
- 两个I2C接口,支持FM+(高达1Mb/s)、SMBus/PMBus以及从STOP模式唤醒
- 2个SPI接口,其中1个SPI接口支持高达32Mbits/s
- 经优化的低功耗模式
- 运行:96µA/Mhz (CoreMark)
- 睡眠:200μA(4MHz时)
- 停止:50μA(32kHz时)
- 待机电流:1.5μA,具有RTC和SRAM保持
- 关断电流:100nA,具有IO唤醒功能
- 时钟系统
- 内部4MHz至32MHz振荡器,精度高达±1% (SYSOSC)
- 高达80MHz的锁相环 (PLL)
- 内部32kHz振荡器 (LFOSC)
- 外部4MHz至48MHz晶体振荡器 (HFXT)
- 外部32kHz晶体振荡器 (LFXT)
- 外部时钟输入
- 数据完整性和加密:循环冗余校验器(CRC-16、CRC-32)
- 灵活的I/O
- 多达60个GPIO
- 两个耐受5V电压的IO
- 两个高驱动IO,驱动强度为20mA
- 2引脚串行线调试 (SWD) 开发支持
- 封装选项
- 64引脚LQFP
- 48引脚LQFP、VQFN
- 32引脚VQFN
- 28引脚VSSOP
- 24引脚VQFN
- 系列成员
- MSPM0G1105:32KB闪存、16KB RAM
- MSPM0G1106:64KB闪存、32KB RAM
- MSPM0G1107:128KB闪存、32KB RAM
- 开发套件与软件
- LP-MSPM0G3507 LaunchPad™开发套件
- MSP软件开发套件 (SDK)
应用
- 电机控制
- 家用电器
- UPS和逆变器
- 电子销售点 (POS) 系统
- 医疗和保健
- 测试与测量
- 工厂自动化和控制
- 工业运输
- 电网基础设施
- 智能计量
- 通信模块
- 照明
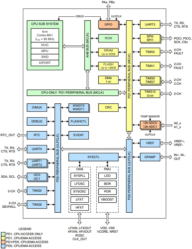
功能框图
发布日期: 2023-04-03
| 更新日期: 2025-04-16

