Texas Instruments OPA169x SoundPlus双路音频运算放大器
Texas Instruments OPA169x SoundPlus™低功耗、低噪声、高性能双路双极输入音频运算放大器具有高性能、低功耗和低噪声。OPA169x具有低噪声密度 (4.2nV/√Hz) 和低失真(-127dB,1kHz时)。该器件轨到轨输出摆幅在 200mV电源之内,负载为2KΩ。这增加了净空高度并最大限度地提高了动态范围。OPA169x运算放大器可在宽电源范围(±1.75V至±18V或3.5V至36V)内运行 (每通道650µA电源电流)。这在宽范围负载条件下可保持出色的动态性能,实现单位增益稳定。此外,OPA169x的指定工作温度范围为–40°C至+125°C。特性
- 低噪声:4.2nV/√Hz (1kHz)
- 低失真:–127dB(1kHz时)
- 低静态电流:
- 每通道650µA
- 转换率:23V/µs
- 宽增益带宽:5.1MHz
- 单位增益稳定
- 轨到轨输出
- 宽电源范围:±1.75V至±18V,或3.5V至36V
应用
- 无线麦克风
- 无线音频监控系统
- 便携式无线电和耳机
- 便携式音频效果处理器
- 便携式录音系统
- USB音频外设
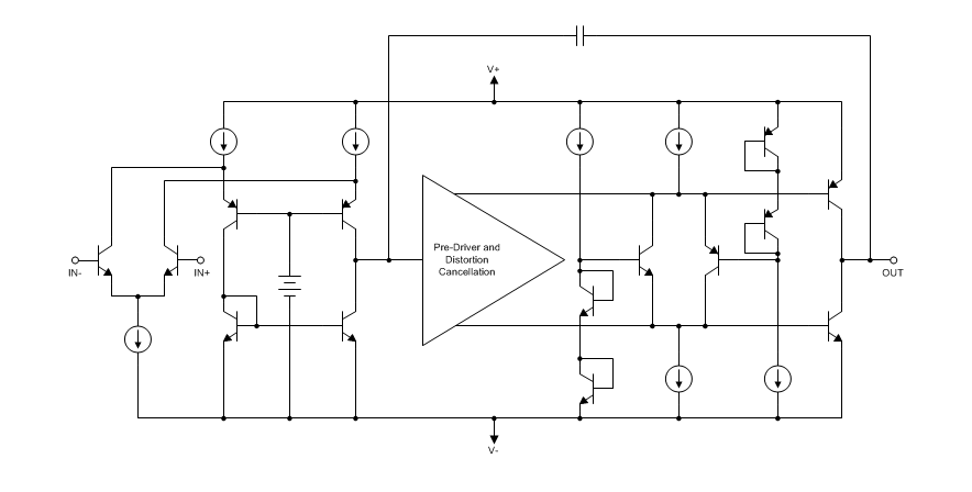
框图
发布日期: 2018-07-17
| 更新日期: 2022-12-07
