特性
- 75µV (max) Low Offset Voltage
- 0.1µV/°C Zero-Drift
- 10nV/√Hz Low Noise
- Low 1 / f Noise
- DC Precision
- 126dB PSRR
- 114dB CMRR
- 120dB Open-Loop Gain (AOL)
- 525µA (max) Quiescent Current
- ±2V to ±18V Wide Supply Range
- Rail-to-Rail Output (Input Includes Negative Rail)
- 250pA (typ) Low Bias Current
- RFI Filtered Inputs
- MicroSIZE Packages
应用
- Bridge Amplifiers
- Strain Gauges
- Test Equipment
- Transducer Applications
- Temperature Measurement
- Electronic Scales
- Medical Instrumentation
- Resister Thermal Detectors
- Precision Active Filters
Datasheets
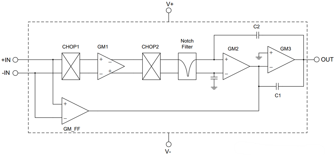
Functional Block Diagram
发布日期: 2014-08-28
| 更新日期: 2022-03-11

