Texas Instruments OPAx187零漂移运算放大器
Texas Instruments OPAx187零漂移运算放大器采用自动归零技术,可在时间和温度范围内同步提供低偏移电压 (1µV) 以及近似为零的漂移。此类微型、高精度、低静态电流放大器可提供高输入阻抗和流入高阻抗负载的摆幅在5mV电源轨范围内的轨到轨输出。输入共模范围包括负电源轨。单电源或者双电源可在4.5V至36V(±2.25V至±18V)的范围内使用。OPAx187器件的单通道版本有微型8引脚VSSOP封装、5引脚SOT-23封装和8引脚SOIC封装可供选择。双通道版本可提供8 引脚 VSON 封装、8 引脚 VSSOP 封装以及 8 引脚 SOIC 封装。四通道版本采用14引脚SO和14引脚TSSOP封装。特性
- 低偏移电压:10µV(最大值)
- 零漂移:0.005µV/°C
- 低噪声:20nV/√Hz
- PSRR:160dB
- CMRR:140dB
- AOL:160dB
- 静态电流:100µA
- 宽电源电压:±2.25V 至 ±18V
- 轨到轨输出运行
- 输入包括负电源轨
- 低偏置电流:100pA(典型值)
- 已过滤电磁干扰(EMI)的输入
- 微型封装
应用
- 桥式放大器
- 应力计
- 测试与测量设备
- 变频器应用
- 温度测量
- 电子秤
- 医疗仪器
- 热电阻 (RTD) 放大器
- 精密有源滤波器
- 低侧电流监控
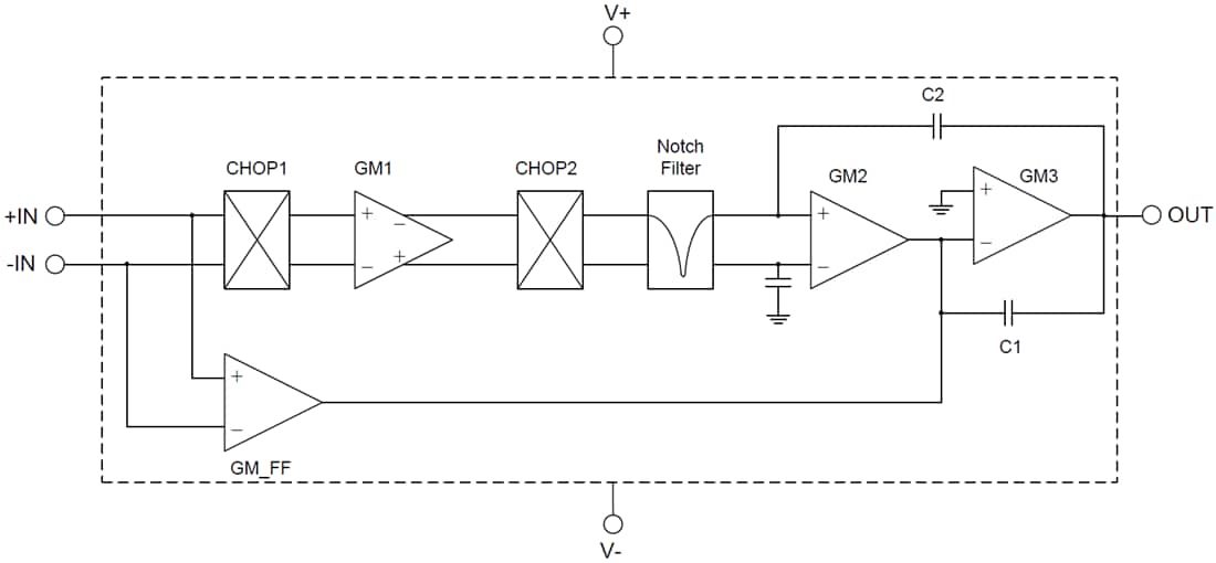
功能框图
发布日期: 2017-02-10
| 更新日期: 2022-03-28
