Texas Instruments OPA2333/Q1 CMOS运算放大器
Texas Instruments OPA2333/Q1 CMOS运算放大器采用微尺寸封装,具有精度高、静态电流低的特点。OPA2333/Q1放大器采用专有的自动校准技术,可提供极低的失调电压(10µV,最大值),同时随时间推移和温度变化实现接近于零的漂移。此外,该器件可提供高阻抗输入(共模范围超出电源轨电压100mV)和轨至轨输出(摆幅在电源轨的50mV范围内)。这些器件可以使用低至1.8V (±0.9V) 和高达5.5V (±2.75V) 的单电源或双电源,针对低电压、单电源运行情况进行了优化。OPA2333/Q1(双通道版本)提供8引脚VSON、SOIC和VSSOP封装,额定工作温度范围为-40°C至125°C。OPA2333/Q1器件符合汽车应用类AEC-Q100认证。特性
- 低失调电压:10µV(最大值)
- 零温漂:0.05µV/°C(最大值)
- 0.01Hz至10Hz噪声:1.1µVPP
- 静态电流:17µA
- 单电源供电
- 电源电压:1.8V至5.5V
- 轨到轨输入/输出
- 小尺寸封装:SC70和SOT23
应用
- 传感器
- 温度测量
- 电子称
- 医疗仪器
- 电池供电仪表
- 手持式测试设备
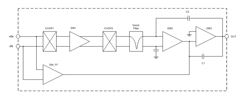
框图
发布日期: 2018-05-16
| 更新日期: 2025-02-05
