Texas Instruments OPA2392DSBGA-EVM评估板
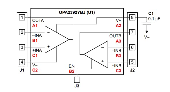
Texas Instruments OPA2392DSBGA-EVM评估板将小型双DSBGA封装转换为简单易用的标准、双、300mil宽PDIP运算放大器占位。标准PDIP封装上没有的使能 (EN) 引脚连接到单独的测试点,可用于评估使能功能。TI OPA2392DSBGA-EVM评估板可用在标准双放大器PDIP插座中,或作为单独连接至OPA2392YBJ上的每个焊球。为尽量减少可能影响器件的电源噪声耦合,安装了一个0.1μF旁路电容器(C1)。OPA2392DSBGA-EVM板的尺寸为550mil x 600mil。特性
- 将小型双路DSBGA封装转换为易于使用的标准双路300mil宽PDIP运算放大器封装
- 支持使能功能评估
- 0.1μF旁路电容器(C1)可最大限度地降低电源噪声耦合
- 适用于标准的双路运放PDIP插座,或作为每个OPA2392YBJ焊球的单独连接
- 尺寸:550milx600mil
原理图
PCB布局
发布日期: 2022-07-20
| 更新日期: 2025-03-05
