Texas Instruments OPAx310/OPAx310-Q1 运算放大器
Texas Instruments OPAx310/OPAx310-Q1运算放大器是单通道 (OPA310/OPA310-Q1)、双通道 (OPA2310) 和四通道 (OPA4310) 放大器,低电压范围为1.5V至5.5V。高输出电流运算放大器具有轨到轨输入和输出摆幅能力。这些放大器具有强大的ESD性能,采用故障安全输入ESD结构,输入端与正电源轨之间无二极管连接。OPAx310S提供非常快的关断响应,具有1µs的典型启用、禁用时间,可在应用涉及占空比放大器信号链时实现节能。TI OPAx310/OPAx310-Q1运算放大器具有内部电流限制和热关断保护功能,采用小型标准电源焊盘封装。 这样,在高输出电流条件下工作时就会更加稳健。这些运算放大器的摆幅非常接近电源轨,在5.5V电源电压下,整个温度范围内最小短路电流为75mA。通过仔细并联多个运算放大器实现了更高的输出电流能力。OPAx310系列的稳健设计有助于简化电路设计,集成了RFI和EMI抑制滤波器,在输入过驱条件下不会出现相位反转。该器件具有出色的AC性能,增益带宽为3MHz,可驱动高达250pF的电容负载,且无持续振荡。
OPAx310/OPAx310-Q1运算放大器非常适合用于LED驱动器、LCD驱动器、激光驱动器和TEC驱动器应用,也可用作基准缓冲器、保护放大器或分立LDO。
特性
- 5.5V高输出电流时±150mA典型ISC
- 从关断到快速启用的典型时间为1µs,OPAx310-Q1典型时间为0.9µs
- 宽工作电源电压范围:1.5V至5.5V
- 低输入失调电压:±250µV(典型值)
- 失效防护输入:输入端与V+之间没有二极管
- 优化的静态电流:165µA/通道(典型值)
- 轨到轨输入和输出
- 增益带宽:3MHz(5.5V时典型值)
- 热噪声本底:16nV/√Hz(典型值)
- 单位增益稳定
- 驱动高达250pF,且无持续振荡
- 内部RFI和EMI滤波输入引脚
- 工作温度范围:-40°C至125 °C
应用
- 光学模块
- 基准缓冲器、保护放大器
- 麦克风前置放大器
- 照明和LED驱动器
- 4mA至20mA环路驱动器
- 可编程电流源
- 低侧电流检测电路
- AEC-Q100 1级应用
APD/LED/EML偏置,具有电流检测功能
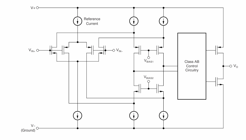
框图
发布日期: 2022-07-27
| 更新日期: 2025-05-15
