采用2.7V电源供电,轨到轨输入级适合用于便携式电池供电应用。差分输入级与整个输入共模电压范围内的增益带宽积和噪声完美匹配,具有宽输入动态范围,提供出色的性能。OPA863具有掉电 (PD) 模式,PD静态电流为1.5 µA(最大值),在10µs(典型值)内接通或关闭。
Texas Instruments OPAx863A/OPAx863-Q1器件具有过载功率限制功能,可限制饱和输出时静态电流的增加,从而防止电池供电系统中的关键耗散。输出级具有短路保护特性,因此是一款非常坚固的放大器,适合普通应用。OPAx863-Q1器件通过了AEC-Q100汽车应用认证。
特性
- 宽带宽
- 单位增益带宽:110MHz (AV=1V/V)
- 增益带宽积:50MHz
- 低功耗
- 静态电流:700µA/通道(典型值)
- 掉电模式:1.5µA(最大值)
- 电源电压:2.7V至12.6V
- 输入电压噪声:5.9nV/√Hz
- 转换率:105V/µs
- 轨到轨输入和输出
- HD2/HD3(–129dBc/–138dB,20kHz时 (2VPP))
- 工作温度范围:-40°C至+125°C
- 其他特性:
- 过载功率限制
- 输出短路保护
应用
- 低功耗SAR和ΔΣ ADC驱动器
- ADC参考缓冲
- 低侧电流检测
- 光电二极管TIA接口
- 电感式传感
- 超声波流量计
- 多功能打印机
- MDAC输出缓冲器
- 增益和有源滤波器级
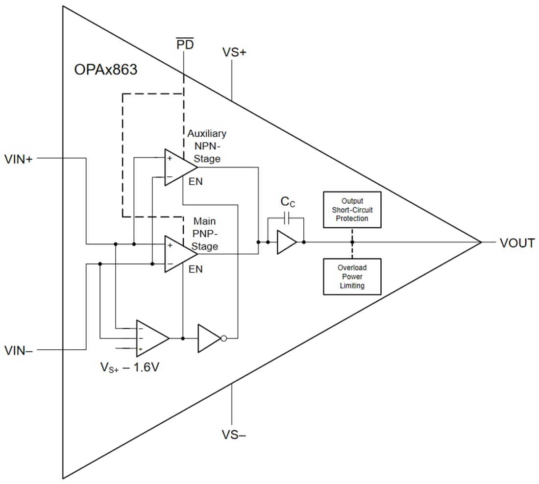
功能框图
数据手册
发布日期: 2021-04-27
| 更新日期: 2024-05-06

