Texas Instruments PCM186x 带通用前端的音频模数转换器
德州仪器 PCM186x 带通用前端的音频模数转换器可帮助设计人员将 European Ecodesign 纳入高性能终端产品中。PCM186x 音频模数转换器避免了对 5V 电源或外部可编程增益放大器的需要,因此可帮助设计人员开发出更小、更智能的产品。PCM186x 系列高度灵活的前端支持从小的 mV 级麦克风输入到 2.1VRMS 线路输入的输入电平,且无需外部电阻分压器。通过使用一个单独的 3.3V 电源, PCM186x 集成了许多辅助或代替某些 DSP 功能的系统级功能。集成式带隙电压基准提供出色的 PSRR,因此可以不需要专门的 3.3V 模拟电压轨。这些 110dB 的音频模数转换器有 2 通道和 4 通道版本可选,是家庭影院 & 电视、蓝牙® 扬声器、麦克风阵列处理器等应用的理想选择。特性
- Universal analog mic input, 2.1VRMS full scale
- 8 analog inputs with MUX and PGA
- Analog pre-mix function before PGA/MUX
- Single-ended, Pseudo-differential or differential inputs with mic bias
- 4x digital microphone inputs
- Up to 4 mono ADC channels (PCM1865)
- Hardware control (PCM1861)
- I2C or SPI control (PCM1863/5)
- H/W programmable gain amplifier
- Fixed mic pre-gain select: 20dB, 32dB (analog)
- S/W programmable gain amplifier
- Integrated high-performance audio PLL
- Single 3.3V supply for analog and digital
- Additional 1.8V core and interface for lower power consumption
- Power dissipation at 3.3V: <85mW (PCM1861/3), <145mW (PCM1865)
- 'EnergySense' audio content detector - for auto system wakeup and sleep
- Master or slave audio interface:
- Mixer functionality:
- Digital mixer to mix ADC outputs and I2S synchronous inputs
- Zero crossing PGA gain changes
- Automatic PGA clipping suppression control
应用
- Home theater and TV
- Automotive head units
- Bluetooth speakers
- Microphone array processors
Additional Resources
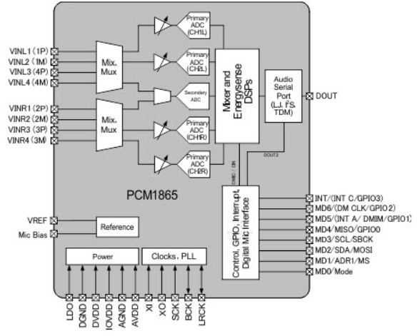
Functional Block Diagram
Simplified Diagram
发布日期: 2014-08-28
| 更新日期: 2022-03-11
