特性
- 双通道模拟前端
- 片上温度传感器
- 可编程增益高达200V/V
- 16位Σ-Δ模数转换器
- 3阶线性补偿算法
- 用于存放器件配置、校准数据和用户数据的EEPROM存储器
- I2C接口
- 通过电源线进行通信和配置的单线接口
- AFE传感器输入、电源和输出缓冲器诊断
- 内存内置自检 (MBIST)
- 看门狗
- 电源管理控制
应用
- 动力总成压力传感器
- 动力总成排气传感器
- HVAC传感器
- 座椅占用传感器
- 制动系统
- 电池管理系统 (BMS)
Additional Resources
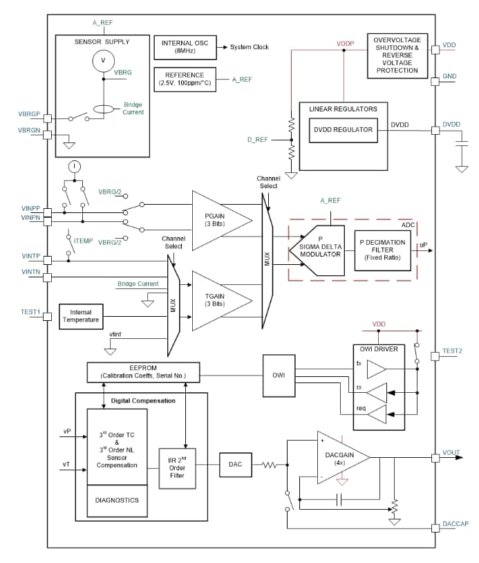
PGA302框图
发布日期: 2018-03-26
| 更新日期: 2023-10-30

