Texas Instruments PGA849架构经过优化,可驱动采样率高达1MSPS的高分辨率、精密模数转换器(ADC)的输入,无需额外的ADC驱动器。输出级电源与输入级去耦,以保护ADC或下游器件免遭过驱损坏。
超β输入晶体管提供超低的输入偏置电流,进而提供0.3pA/√Hz的超低输入电流噪声密度,因而PGA849成为几乎任何传感器类型的通用选择。低噪声电流反馈前端架构即使在高频下也能提供出色的增益平坦度,得益于此,PGA849是一款出色的高阻抗传感器读出器件。输入引脚上的集成保护电路可处理超出电源电压高达±40V的过压。
特性
- 差分至单端转换
- 八个引脚可编程二进制增益:G (V/V)=1/8、1/4、1/2、1、2、4、8和16
- 低增益误差漂移:±2ppm/°C(最大值)
- 更快的信号处理
- 宽带宽:在所有增益下均为10MHz
- 高压摆率:G≥½V/V时为35V/μs
- 稳定时间:700ns(到0.01%)、950ns(到0.0015%)
- 输入级噪声:G=16V/V 时为8.6nV/√Hz
- 可通过滤波器选项实现更好的SNR
- ±40V超出电源电压的输入过压保护
- 输入级电源范围
- 单电源:8 V至36 V
- 双电源:±4 V 至±18 V
- 独立输出电源引脚
- 输出级电源范围
- 单电源:4.5 V至36 V
- 双电源:±2.25 V 至±18 V
- 指定温度范围: -40°C至+125°C
- 3mm×3mm QFN小型封装
应用
- 工厂自动化和控制
- 模拟输入模块
- 数据采集 (DAQ)
- 测试与测量
- 参数测量单元(PMU)
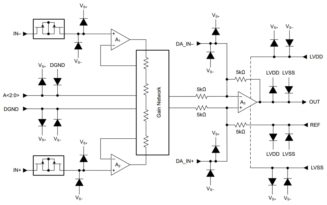
功能框图
发布日期: 2025-02-04
| 更新日期: 2025-02-11

