Texas Instruments SN65LVDS302显示串行接口接收器
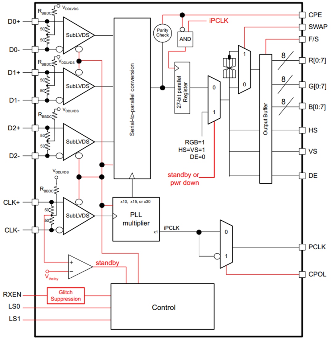
Texas Instruments SN65LVDS302可编程27位显示器串行接口接收器将符合FlatLink™ 3G标准的串行输入数据反序列化为27个并行数据输出。Texas Instruments SN65LVDS302接收器包含一个移位寄存器,用于从1、2或3个串行输入端加载30位。检查奇偶校验位后,它将24像素和三个控制位锁存到并行CMOS输出端。如果奇偶校验确认奇偶校验正确,则通道奇偶校验误差 (CPE) 输出保持低电平。如果检测到奇偶校验误差,则CPE输出可产生高脉冲,数据输出总线则丢弃新接收的像素。相反,在输出总线上保留最后一个数据字,用于另一个时钟周期。特性
- 串行接口技术
- 与FlatLink™ 3G兼容,如 SN65LVDS301
- 支持视频接口,高达24位RGB数据和三个控制位(通过一条、两条或三条SubLVDS差分线路接收)
- 三种工作模式,可降低功耗
- 有源模式QVGA 17mW
- 典型关断0.7µW
- 典型待机模式27µW(典型值)
- SubLVDS差分电压电平
- 数据吞吐量:高达1.755Gbps
- 总线交换功能,实现PCB布局灵活性
- ESD额定值:>4kV (HBM)
- 像素时钟范围:4MHz至65MHz
- 所有CMOS输入均具有故障保护功能
- 采用5mm × 5mm nFBGA封装,具有0.5mm焊球间距
- EMI非常低,符合SAE J1752/3 ’Kh’规格
应用
- 可穿戴设备(非医疗)
- 平板电脑
- 手机
- 便携式电子设备
- 游戏设备
- 零售自动化和支付
- 楼宇自动化
功能框图
发布日期: 2020-12-17
| 更新日期: 2024-10-21
