Texas Instruments SN74LVC257A/SN74LVC257A-Q1数据多路复用器
Texas Instruments SN74LVC257A/SN74LVC257A-Q1数据选择器/多路复用器是四通道2线至1线器件,在3.3V时具有4.6ns的最大传播延迟时间。这些数据选择器/多路复用器设计用于将4位数据源的信号多路复用到总线式系统中的4路输出数据线。当输出使能输入处于高逻辑电平时,3态输出不会加载数据线路。SN74LVC257A-Q1数据选择器/多路复用器符合汽车应用标准,设计工作电压范围为2.7VCC 至3.6VCC 。此系列数据选择器/多路复用器适用于I/O扩展器、电机驱动器、服务器、网络交换机和电信基础设施。特性
- 最大传播延迟时间:4.6ns(3.3V时)
- 输入接受电压至5.5 V
- VCC=3.3V、TA= 25°C时的VOLP(输出接地弹跳)<0.8V(典型值)
- VCC= 3.3V、TA= 25°C时,VOHV(输出VOH 下冲)>2V(典型值)
- SN74LVC257A-Q1 :
- 符合汽车应用标准
- 工作电压范围:2V至3.6V
- ESD保护超过2000V,符合MIL-STD-883方法3015标准
- SN74LVC257A :
- 工作电压范围:1.65V至3.6V
- 闭锁性能超过250 mA,符合JESD 17标准
- ESD保护超出JESD 22标准:
- 2000 V人体模型 (A114-A)
- 200 V 机器模型(A115-A)
应用
- I/O扩展器
- 电机驱动器
- 服务器
- 网络交换机
- 电信基础设施
- 测试与测量
- 电缆调制解调器终端系统
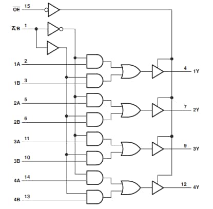
功能框图
发布日期: 2024-07-18
| 更新日期: 2024-08-28
