特性
- 符合汽车应用类AEC-Q100标准
- 器件温度等级1:-40°C至+125°C
- 器件HBM ESD分类级别2
- 器件CDM ESD分类级别C4B
- 采用可湿性侧翼QFN封装
- 宽工作范围:1.5V至6V
- 输入接受电压高达 6 V
- 连续±24mA输出驱动(5V时)
- 支持高达±75mA的输出驱动(在5VIN 短突发时)
- 驱动50Ω传输线
- 最大tpd:9.5ns(5V、50pF负载时)
应用
- 使用共享数据总线选择存储器设备
- 路由数据
- 减少片选应用所需的输出端数量
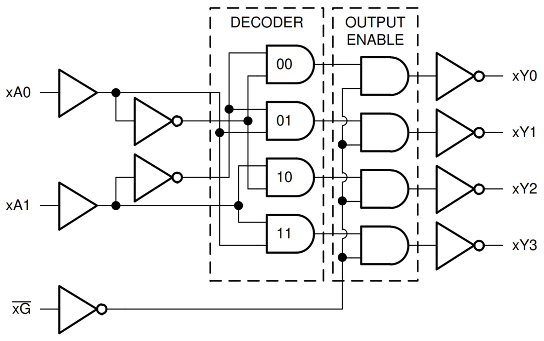
功能框图
发布日期: 2025-03-24
| 更新日期: 2025-05-06

