特性
- 符合汽车应用类AEC-Q100标准
- 器件温度等级1:-40°C至+125°C
- 器件人体模型 (HBM) 静电放电 (ESD) 分类等级2
- 器件CDM ESD分类等级C4B
- 提供可湿性侧翼QFN封装
- 1.5V至6V的宽工作电压范围
- 输入接受电压高达 6 V
- 连续输出驱动:±24mA(5V时)
- 在短脉冲时支持5V处高达±75mA的驱动
- 驱动50Ω传输线
- 5V、50pF负载下最大tpd 为20ns
应用
- 数据选择
- 多路复用
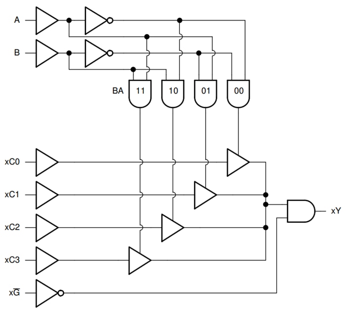
逻辑图(正逻辑)
发布日期: 2025-06-10
| 更新日期: 2025-06-17

