TI SN74AC2G101-Q1符合汽车应用类AEC-Q100标准。
特性
- 符合汽车应用类AEC-Q100标准 (SN74AC2G101-Q1):
- 器件温度等级1:-40°C至+125°C
- 器件人体模型 (HBM) 静电放电 (ESD) 分类等级2
- 器件CDM ESD分类等级C4B
- 提供可湿性侧翼QFN封装
- 1.5V至6V的宽工作电压范围
- 输入接受电压高达 6 V
- 连续±24mA输出驱动5V
- 电压为5V时,支持高达±75mA的输出驱动(短时突发)
- 驱动50Ω传输线
- 最大tpd :11.3ns(电压为5V、负载为50pF时)
应用
- 在控制器复位期间保持信号
- 输入缓慢边沿速率信号
- 在嘈杂环境中运行
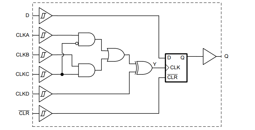
逻辑图(正逻辑)
发布日期: 2025-08-16
| 更新日期: 2025-08-25

