Texas Instruments SN74AC595/SN74AC595-Q1 8位移位寄存器

Texas Instruments SN74AC595/SN74AC595-Q1 8位移位寄存器包括一个8位串行输入、并行输出移位寄存器,可提供一个8位D类存储寄存器。该配置让数据可以在输出为静态时被装载到移位寄存器中。TI SN74AC595/SN74AC595-Q1采用3态输出,方便将输出禁用。该器件提供单独的移位寄存器输出 (QH') 用于串联移位寄存器。SN74AC595-Q1器件符合汽车应用类AEC-Q100标准。

特性

  • 符合汽车应用类AEC-Q100标准(SN74AC595-Q1):
    • 器件温度等级1级:-40°C至+125°C
    • 器件HBM ESD分类级别2
    • 器件CDM ESD分类级别C4B
  • 宽工作电压范围:1.5V至6V
  • 输入接受电压高达 6 V
  • 连续±24mA输出驱动5V
  • 支持高达±75mA的输出驱动(5V)短脉冲串
  • 驱动50Ω传输线
  • 最大tpd :12ns(5V、50pF负载时)

应用

  • 输出扩展
  • LED矩阵控制
  • 7段显示控制

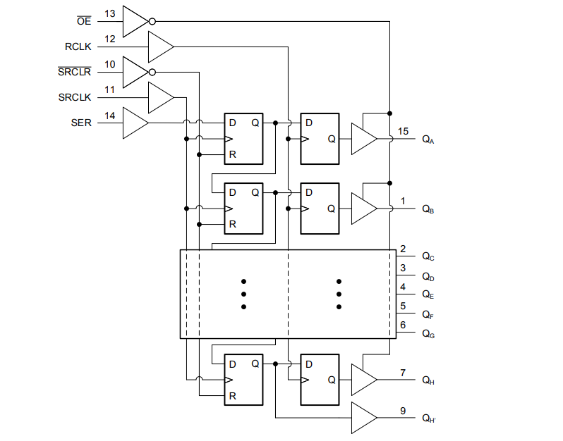
逻辑图(正逻辑)

位置电路 - Texas Instruments SN74AC595/SN74AC595-Q1 8位移位寄存器
发布日期: 2024-07-19 | 更新日期: 2024-10-18