Texas Instruments SN74ACT238/SN74ACT238-Q1 3线至8线解码器/解复用器

Texas Instruments SN74ACT238/SN74ACT238-Q1 3线至8线解码器/解复用器包含一个标准输出选通(G2)和两个低电平有效的输出选通(G1和G0)。当通道选通输入全部激活时,只有所选输出为高电平,其他输出均为低电平。当任意选通输入处于非激活状态时,所有输出均强制进入低电平状态。Texas Instruments SN74ACT238-Q1器件已通过AEC-Q100汽车应用认证。

特性

  • 4.5 V 到 5.5 V 的工作电压范围
  • TTL 兼容输入
  • 在5V下提供连续±24mA的输出驱动
  • 支持高达±75mA的输出驱动(5V)短脉冲串
  • 可驱动50Ω传输线
  • 快速运行,延迟为10.9ns(最大值)

应用

  • 具有共享数据总线的存储器器件选项
  • 路由数据
  • 减少片选应用所需的输出端数量

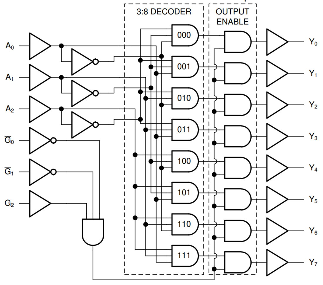
功能图

框图 - Texas Instruments SN74ACT238/SN74ACT238-Q1 3线至8线解码器/解复用器
发布日期: 2025-02-18 | 更新日期: 2025-05-06