TI SN74ACT2G101-Q1触发器符合汽车应用类AEC-Q100标准。
特性
- 符合汽车应用类AEC-Q100标准:
- 设备温度等级 1:-40°C至+125°C
- 器件人体模型 (HBM) 静电放电 (ESD) 分类等级2
- 器件CDM ESD分类等级C4B
- 采用可湿性侧翼QFN封装
- 4.5 V 到 5.5 V 的工作电压范围
- TTL兼容施密特触发输入,支持慢速和噪声输入信号
- 连续±24mA输出驱动5V
- 在5V电压下,支持±75mA的短时输出驱动能力
- 驱动50Q传输线
- 快速运行,最大延迟时间为10.5 ns
应用
- 在控制器重置期间保持信号
- 输入缓慢边沿速率信号
- 在嘈杂环境中运行
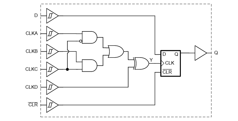
逻辑图(正逻辑)
发布日期: 2026-01-09
| 更新日期: 2026-01-21

