Texas Instruments SN74ACT595/SN74ACT595-Q1 SIPO移位寄存器
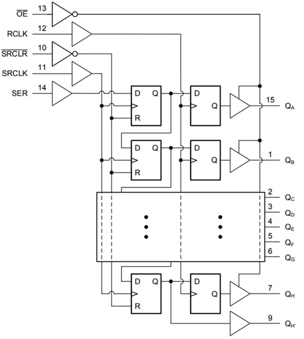
Texas Instruments SN74ACT595/SN74ACT595-Q1 8位串行输入并行输出 (SIPO) 移位寄存器,向8位D类存储寄存器馈送信号。存储寄存器具有并行输出。分别为存储寄存器和移位寄存器提供时钟。该移位寄存器具有直接覆盖清除 (SRCLR\) 输入、串行 (SER) 输入,以及进行级联的串行输出 (QH’)。当输出使能 (OE\) 输入为高电平时,寄存器输出处于高阻抗状态。OE\输入的运行不会影响内部寄存器数据。Texas Instruments SN74ACT595-Q1设备符合汽车应用类AEC-Q100认证。特性
- 工作电压范围:4.5 V至5.5 V
- TTL 兼容输入
- 连续±24mA输出驱动(5V时)
- 支持高达±75mA输出驱动(5Vin短脉冲时)
- 驱动50Ω传输线路
- 延迟为11.9ns(最大值),快速运行
应用
- 增加微控制器上的输出端数量
- 临时存储多达8位数据
功能图
发布日期: 2025-02-18
| 更新日期: 2025-05-06
