Texas Instruments SN74ACT596/SN74ACT596-Q1 SIPO移位寄存器
Texas Instruments SN74ACT596/SN74ACT596-Q1 8位SIPO移位寄存器包含一个8位串行输入、并行输出 (SIPO) 移位寄存器,向8位D类存储寄存器馈送信号。存储寄存器和移位寄存器都有独立的时钟,存储寄存器具有并行开漏输出。移位寄存器具有直接覆盖清除 (SRCLR\) 输入、串行输出 (QH’) 和用于级联的串行 (SER) 输入。当输出使能(OE\)输入为高电平时,输出处于高阻抗状态。OE\输入的运行不会影响内部寄存器数据。Texas Instruments SN74ACT596-Q1设备符合汽车应用类AEC-Q100认证。特性
- 4.5 V 到 5.5 V 的工作电压范围
- TTL 兼容输入
- 连续±24mA输出驱动(5V时)
- 支持高达±75mA的5VIN 短脉冲输出驱动
- 驱动50Ω传输线
- 快速运行,最大延迟时间为11.6 ns
应用
- 增加微控制器上的输出数量
- 最多可临时存储8位数据
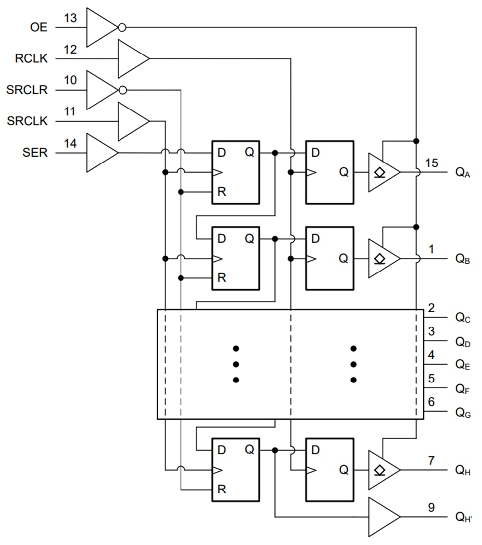
逻辑图(正逻辑)
发布日期: 2025-03-25
| 更新日期: 2025-05-06
