Texas Instruments SN74AHC138/SN74AHC138-Q1 3线至8线解码器/解复用器
Texas Instruments SN74AHC138/SN74AHC138-Q1 3线至8线解码器/解复用器设计用于需要极短传播延迟时间的数据路由和高性能存储器解码应用。在高性能存储系统中,可使用此类解码器来尽可能地消除系统解码的影响。与使用高速使能电路的高速存储器一同使用时,该解码器的延迟时间和存储器的使能时间通常小于存储器的典型存取时间。这意味着解码器引起的有效系统延迟可以忽略不计。Texas Instruments SN74AHC138-Q1器件符合AEC-Q100标准,适用于汽车应用。特性
- 工作电压范围 (VCC):2V至5.5V
- 专为高速存储器解码器和数据传输系统而设计
- 内置三个使能输入,可简化级联和/或数据接收
- 闭锁性能超过250 mA,符合JESD 17标准
- ESD保护超过JESD 22标准
- 2000V 人体模型(A115-A)
- 1000 V 充电器件模型(C101)
应用
- 通过共享数据总线选择内存器件
- 路由数据
- 减少片选应用所需的输出端数量
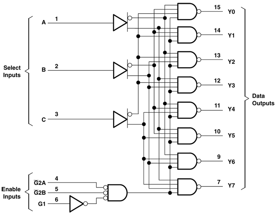
逻辑图(正逻辑)
发布日期: 2024-04-30
| 更新日期: 2025-06-06
