Texas Instruments SN74AHC594/SN74AHC594-Q1 8位移位寄存器

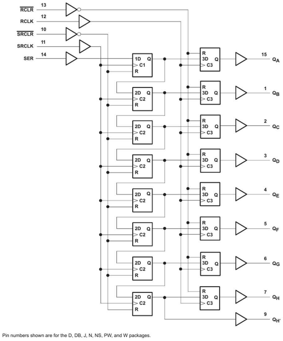
Texas Instruments SN74AHC594/SN74AHC594-Q1 8位移位寄存器包含一个为8位D型存储寄存器提供数据的8位串行输入、并行输出(SIPO)移位寄存器。移位寄存器和存储寄存器提供独立的时钟和直接覆盖清零(RCLR、RCLR)输入。提供串行(QH′)输出,用于级联。Texas Instruments SN74AHC594-Q1器件通过了AEC-Q100汽车应用认证。

特性

  • 工作电压范围 (VCC):2V至5.5V
  • 8位串行输入、并行输出移位寄存器,带存储功能
  • 移位寄存器和存储寄存器上的独立直接覆盖清零
  • 移位寄存器和存储寄存器的独立时钟
  • 锁定性能超过100mA,符合JESD 78标准II类要求
  • 静电放电保护超越 JESD 22 标准
    • 2000 V人体模型 (A114-A)
    • 1000 V 充电器件模型(C101)

应用

  • 网络交换机
  • 电力基础设施
  • 个人电脑和笔记本电脑
  • LED显示器
  • 服务器

逻辑图(正逻辑)

框图 - Texas Instruments SN74AHC594/SN74AHC594-Q1 8位移位寄存器
发布日期: 2024-04-26 | 更新日期: 2025-06-06