Texas Instruments SN74AHC595/SN74AHC595-Q1计数器移位寄存器
Texas Instruments SN74AHC595/SN74AHC595-Q1计数器移位寄存器包含一个8位串行输入、并行输出移位寄存器,提供一个8位D类存储寄存器。存储寄存器具有并行3态输出。分别为移位寄存器和存储寄存器提供时钟。TI SN74AHC595/SN74AHC595-Q1具有直接覆盖清除 (SRCLR) 输入、串行 (SER) 输入和用于级联的串行输出。当输出使能 (OE) 输入为高电平时,所有输出,除了QH′,均处于高阻抗状态。SN74ACH595-Q1器件符合汽车应用类AEC-Q100标准。特性
- 符合汽车应用标准 (SN74ACH595-Q1)
- 工作电压范围:2V至5.5V VCC
- 8位串行输入、并行输出移位
- 闭锁性能超过100mA,符合JESD 78 II类标准
- 静电放电保护超越 JESD 22 标准
- 2000 V人体模型 (A114-A)
- 1000 V 充电器件模型(C101)
应用
- 网络交换机
- 电力基础设施
- LED显示器
- 服务器
- 启用或禁用数字信号
- 控制指示灯LED
- 通信模块和系统控制器之间的转换
数据手册
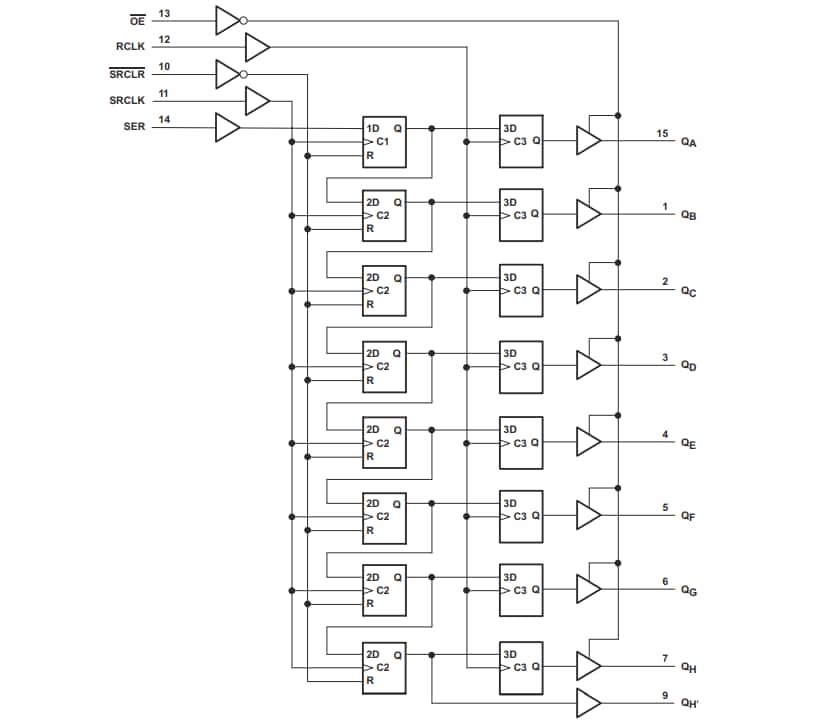
逻辑图(正逻辑)
发布日期: 2024-07-19
| 更新日期: 2024-07-30
