Texas Instruments SN74AHCT138/SN74AHCT138Q-Q1解复用器/解码器
Texas Instruments SN74AHCT138/SN74AHCT138Q-Q1 3线至8线解码器/解复用器设计用在需要极短传播延迟时间的高性能内存解码和数据路由应用中。在高性能存储器系统中,TI SN74AHCT138/SN74AHCT138Q-Q1可以减少系统解码中的各种效应。当搭配采用快速使能电路的高速存储器使用时,该解码器的延迟时间和存储器的使能时间通常少于典型访问时间。此特性表明解码器引入的有效系统延迟可忽略不计。SN74AHCT138Q-Q1器件符合汽车应用类AEC-Q100标准。特性
- 符合汽车应用类标准 (SN74AHCT138Q-Q1)
- EPIC(增强性能植入式CMOS)工艺
- 输入兼容TTL电压
- 专门设计用于高速存储器解码器和数据传输系统
- 包含三个使能输入,简化级联和/或数据接收
- 闭锁性能超过250 mA,符合JESD 17标准
- ESD保护超过2000V,符合MIL-STD-833方法3015标准
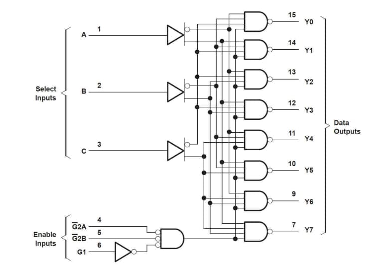
逻辑图(正逻辑)
发布日期: 2024-07-19
| 更新日期: 2024-08-02
