Texas Instruments SN74AHCT374/SN74AHCT374-Q1八路D类触发器
Texas Instruments SN74AHCT374/SN74AHCT374-Q1八路D类触发器包括三态输出和八个D类触发器。此系列触发器在4.5V至5.5V电源电压范围内工作,具有低延迟,5V、15pF负载时为7.6ns,并且在5V、15pF负载时频率为130MHz。所有通道共享一个上升沿触发时钟 (CLK) 输入和一个低电平有效输出使能 (OE) 输入。这款设备包括便于总线布线的直通式引脚分配,并具有TTL兼容输入。SN74AHCT374-Q1触发器设备符合汽车应用类AEC-Q100标准。这款设备采用可湿性侧翼QFN封装,闭锁性能超过250mA,符合JESD 17标准。SN74AHCT374/SN74AHCT374-Q1触发器非常适合用于并行数据同步、并行数据存储、移位寄存器和模式生成器。特性
- 符合AEC-Q100标准,适用于汽车应用 (SN74AHCT374-Q1)
- 设备温度等级1:-40°C至125°C
- 器件人体模型 (HBM) 静电放电 (ESD) 分类等级2
- 器件CDM ESD分类等级C4B
- 提供可湿性侧翼QFN封装
- 工作电源电压范围:4.5V至5.5V VCC
- TTL兼容输入
- 低延迟,5V、15pF负载时为7.6ns
- 5V、15pF负载时支持130MHz
- 闭锁性能超过250 mA,符合JESD 17标准
应用
- 并行数据同步
- 并行数据存储
- 移位寄存器
- 模式发生器
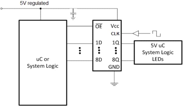
功能框图
每个输入和输出的钳位二极管电气布局
典型特性图
典型应用原理图
发布日期: 2025-09-29
| 更新日期: 2026-01-21
