Texas Instruments SN74AHCT595/SN74AHCT595-Q1 8位移位寄存器

Texas Instruments SN74AHCT595/SN74AHCT595-Q1 8位移位寄存器设有8位串行输入、并行输出移位寄存器,可提供8位D类存储寄存器。移位寄存器时钟 (SRCLK) 和存储寄存器时钟 (RCLK) 为正边缘触发时钟。TI SN74AHCT595-Q1符合汽车应用类AEC-Q100认证。

特性

  • 符合汽车应用类AEC-Q100标准 (SN74AHCT595-Q1):
    • 器件温度等级1级:-40°C至+125°C
    • 器件HBM ESD分类级别2
    • 器件CDM ESD分类级别C4B
  • 采用可湿性侧翼QFN封装
  • 工作电压范围:4.5V至5.5V VCC
  • TTL 兼容输入
  • 低延迟,典型值6ns(25°C、5V)
  • 闭锁性能超过250 mA,符合JESD 17标准

应用

  • 网络交换机
  • 电力基础设施
  • 个人电脑和笔记本电脑
  • LED显示器
  • 服务器

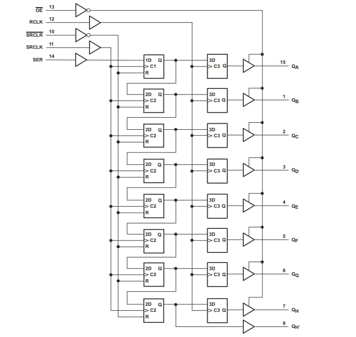
简化原理图

原理图 - Texas Instruments SN74AHCT595/SN74AHCT595-Q1 8位移位寄存器
发布日期: 2024-07-19 | 更新日期: 2025-05-08