Texas Instruments SN74AHCT74/SN74AHCT74-Q1双D型触发器
Texas Instruments SN74AHCT74/SN74AHCT74-Q1双D型触发器是双正沿触发器件,具有清零和预设功能。无论其他输入的电平如何,预设(PRE)或清零(CLR)输入的低电平设置或复位输出。当Texas Instruments SN74AHCT74/SN74AHCT74-Q1 PRE和CLR处于非激活状态(高电平)时,满足设置时间要求的数据(D)输入端的数据在时钟脉冲的正向沿被传输到输出端。时钟触发发生在某个电压电平上,并且与时钟脉冲的上升时间不直接相关。在保持时间间隔之后,D输入处的数据可以在不影响输出处电平的情况下改变。SN74AHCT74-Q1器件符合汽车应用类AEC-Q100标准。特性
- 工作电压范围:4.5V至5.5V
- 低功耗:最大10µA ICC
- 输出驱动:±8mA(5V时)
- 输入兼容TTL电压
- 闭锁性能超过250mA,符合JESD 17标准
应用
- 将瞬时开关转换为拨动开关
- 在控制器复位期间保持信号
- 输入缓慢边沿速率信号
- 在嘈杂环境中运行
- 将时钟信号除以2
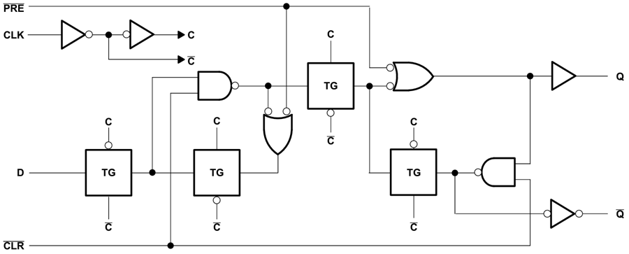
功能框图
发布日期: 2023-06-20
| 更新日期: 2025-07-31
