Texas Instruments SN74AVC24T245 24位双电源总线收发器
Texas Instruments SN74AVC24T245 24位双电源总线收发器使用两个独立的可配置电源轨。SN74AVC24T245经过优化,可在VCCA/VCCB 设置为1.4V至3.6V时运行。它可在VCCA/VCCB 低至1.2V时工作。A端口设计用于跟踪VCCA 。VCCA 可接受1.2V至3.6V之间的任何电源电压。B端口设计用于跟踪VCCB 。VCCB 接受1.2V至3.6V之间的任何电源电压。这一功能允许在1.2V、1.5V、1.8V、2.5V和3.3V电压节点之间进行通用低电压双向转换。Texas Instruments SN74AVC24T245专用于数据总线之间的异步通信。该器件将数据从A总线传输到B总线,或从B总线传输到A总线,这取决于方向控制 (DIR) 输入的逻辑电平。输出使能 (OE) 输入可用于禁用输出,以便有效隔离总线。该器件完全支持使用Ioff的部分掉电应用。Ioff电路可禁用输出,防止设备在断电时出现破坏性电流回流。VCC 隔离功能可确保如果任一VCC 输入端处于接地状态,则两个端口都处于高阻抗状态。
特性
- 控制输入端VIH/VIL 电平以VCCA 电压为基准
- VCC 隔离功能 – 如果任一VCC 输入为GND时,所有输出均处于高阻抗状态
- 过压耐受输入/输出支持混合电压模式数据通信
- 完全可配置的双轨设计允许每个端口在1.2V至3.6V的整个电源范围内工作
- 最大数据传输速率
- 380 Mbps(1.8 V至3.3 V转换)
- 200 Mbps(<1.8 V至3.3 V转换)
- 200 Mbps(转换为2.5 V或1.8 V)
- 150Mbps(转换为1.5V)
- 100 Mbps(转换为1.2 V)
- Ioff 支持部分掉电模式运行
- I/O耐受电压达4.6 V
- 闭锁性能超过100mA,符合JESD 78 II类标准
- 静电放电保护超越 JESD 22 标准
- 8000 V人体模型 (A114-A)
- 200 V 机器模型(A115-A)
- 1000 V 充电器件模型(C101)
应用
- 个人电子设备
- 工业
- 企业
- 电信
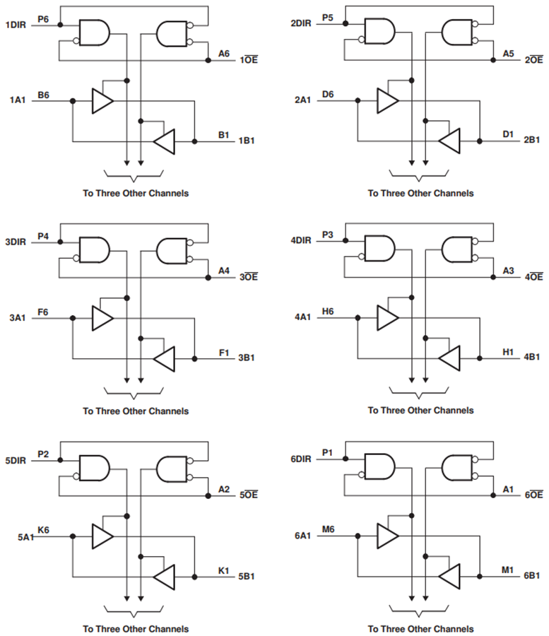
功能框图
发布日期: 2020-09-28
| 更新日期: 2024-08-27
