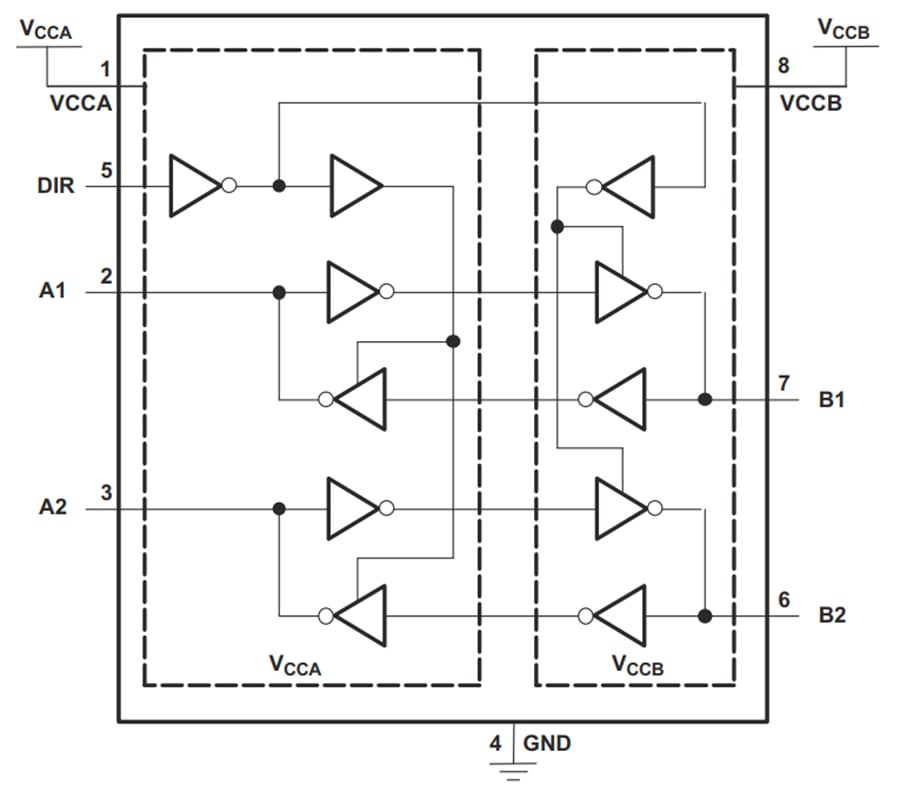
SN74AVCH2T45设计用于两条数据总线之间的异步通信。方向控制(DIR引脚)输入的逻辑电平决定启用A端口输出或B端口输出。当激活B端口输出时,该器件将数据从A总线传输到B总线,当激活A端口输出时,该器件将数据从B总线传输到A总线。SN74AVCH2T45具有有源总线保持电路,可将未使用或未驱动输入保持在有效的逻辑状态。Texas Instruments不建议在总线保持电路上使用上拉或下拉电阻器。
特性
- 采用Texas Instruments的NanoFree™封装
- VCC 隔离
- 2-rail设计
- I/O耐受电压达4.6 V
- 局部关断模式运行
- 数据输入的总线保持
- 闭锁性能超过100mA,符合JESD 78 II类标准
- 最大数据传输速率
- 500Mbps(1.8V至3.3V时)
- 320 Mbps、<1.8 V至3.3 V
- 320Mbps(电平转换至2.5V或1.8V)
- 280Mbps(电平转换至1.5V)
- 240Mbps(电平转换至1.2V)
- 静电放电保护超越 JESD 22 标准
应用
- 智能手机
- 服务器
- 台式电脑和笔记本电脑
- 其他便携式设备
逻辑图(正逻辑)
发布日期: 2025-02-17
| 更新日期: 2025-03-11

